图l开始的阶段(T),在没有红外线照射下,热释电红外线传感器的温度没有变化,传感器表面的电荷处于中和状态,正负电子对等(A),此时,传感器没有输出(0)。图l第二阶段(T+△T),有

热释电人体红外线传感器原理图
778x433 - 63KB - JPEG

红外线传感器原理
763x360 - 30KB - JPEG

pir红外传感器的探测波长范围是8-14um
310x215 - 18KB - JPEG

红外线传感器原理
620x212 - 27KB - JPEG

红外线传感器原理
478x325 - 27KB - JPEG

红外线传感器原理
396x315 - 27KB - JPEG

红外线感应器原理图介绍
525x247 - 23KB - JPEG

高灵敏、低功耗红外线传感器设计
735x458 - 87KB - JPEG

湿敏元件moisture sensitive element
400x202 - 7KB - JPEG

人体感应器原理 红外线人体感应器的工作原理
699x373 - 60KB - JPEG

红外线感应器原理及用途分析
294x300 - 8KB - JPEG

红外线传感器的工作原理- 电子常识
400x244 - 24KB - JPEG

红外线传感器系统原理图
398x299 - 11KB - JPEG

采用红外线传感器的人体检测电路-广电电器网
757x397 - 61KB - JPEG

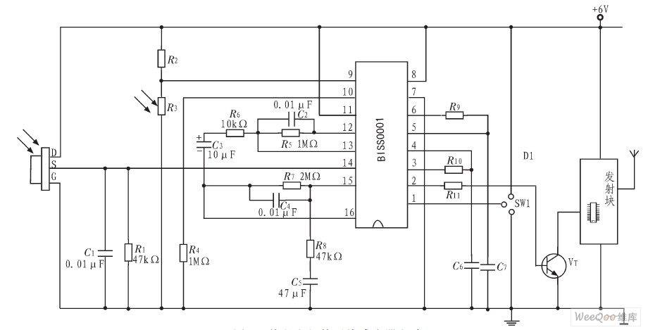
基于C8051F020的自动测控LED节能照明系统
920x469 - 89KB - JPEG