说明:利用STM32单片机实现在LCD显示屏上显示汉字,代码可以直接拿来用。 (Use STM32 MCU displayed on the LCD display Chinese characters, code can be directly used.)

晶显示屏_单片机驱动液晶_单片机lcd显示屏_
600x600 - 53KB - JPEG

单片机液晶显示器_中孚华显电子科技有限公司
550x350 - 35KB - JPEG

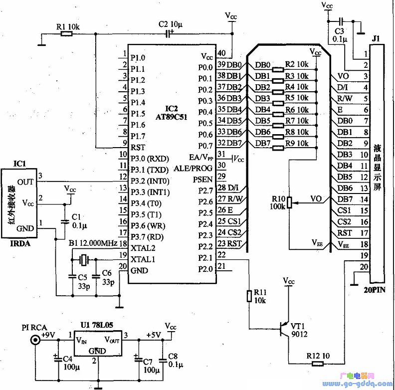
用单片机和点阵图型LCD显示屏制作流动图像
792x782 - 137KB - JPEG

利用单片机从lcd显示屏上读出所测得电阻值解
480x316 - 45KB - JPEG

单片机液晶显示屏_单片机lcd1602_单片机学习
700x700 - 115KB - JPEG

lcd1602与单片机连接图,基于51单片机的lcd16
622x422 - 73KB - JPEG

单片机驱动LCD1602的制作二 - 51单片机
698x600 - 80KB - JPEG

lcd驱动板_lcd驱动板液晶通用_lcd显示屏带驱动
1366x718 - 262KB - JPEG

5.6寸单片机直接驱动LCD液晶显示屏 宽温 高亮
608x436 - 37KB - JPEG

基于单片机无线LCD显示屏\315M无线收发模块
800x800 - 139KB - JPEG

LCD1602液晶显示屏没显示数据 - 单片机论坛
841x565 - 26KB - PNG

图形液晶显示器和单片机接口应用技术
517x316 - 26KB - JPEG

8寸 智能显示屏 TFT LCD液晶屏 单片机 智能显
800x600 - 44KB - JPEG

76E616新唐代理8位8051单片机LCD显示屏驱
494x267 - 27KB - JPEG

单片机液晶显示屏_单片机lcd1602_单片机学习
591x800 - 136KB - JPEG