PS素材网,为你提供12v光控开关相关素材,12v光控开关素材下载,12v光控开关相关下载不可直接引用. 【光控开关 A款】5~18V 12V光控开关光控电路感应开关可调感光 光控开

求一个光控开关电路图!
496x571 - 45KB - JPEG

急求一个光控电路图并带有磁环开关管
640x640 - 19KB - JPEG

硅光电池组成的光控开关电路
505x342 - 18KB - JPEG

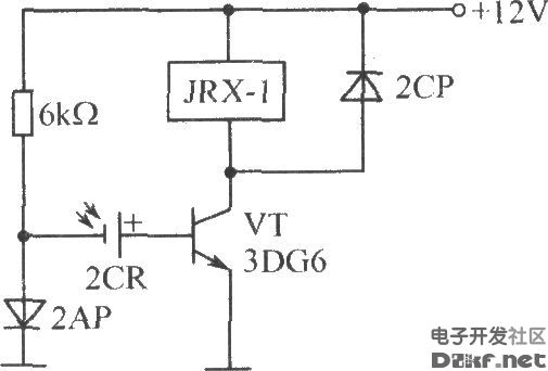
光控开关电路图
477x239 - 22KB - JPEG

三极管组成的光控开关电路原理图
425x327 - 21KB - JPEG

光控安全开关
2254x976 - 97KB - PNG

光控开关SCR电路图
599x440 - 90KB - JPEG

光控开关电路原理图
669x260 - 33KB - GIF

供应艾迪电器厂路灯光控开关
748x563 - 45KB - JPEG

求一个光控开关电路图
500x237 - 15KB - JPEG

电码式光控开关电路图
468x433 - 70KB - JPEG

光控开关SCR电路图_电子设计应用_电子设计
599x440 - 70KB - JPEG

图(2)光控开关电路图
466x324 - 21KB - JPEG

灯电路图++本文介绍的大功率闪光器由一个12
767x379 - 30KB - GIF

全自动LED光控开关220V,12V,24V,路灯光控开
748x563 - 40KB - JPEG