电路的增益 1995-2004 Tsinghua Tongfang Optical Disc Co. Ltd. All rights reserved. 8物理实验第 23卷第 7期图 3开关型霍尔传感器电路图设 V P 0图 3中的 A 2是同相比例运算

霍尔集成电路
456x282 - 24KB - GIF

开关型霍尔传感器型号有哪些-霍尔元件44e10
459x213 - 15KB - GIF

开关型霍尔位置传感器集成电路LD461A SS46
220x220 - 15KB - JPEG

开关型霍尔传感器_集成电路(IC)_开关型霍尔传
200x200 - 5KB - JPEG

开关型霍尔位置传感器集成电路_开关型霍尔位
360x360 - 22KB - JPEG

开关型霍尔位置传感器集成电路LD461A SS46
220x220 - 14KB - JPEG

开关型霍尔传感器 SS41
505x394 - 23KB - JPEG

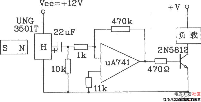
【图】UGN-3501T霍尔传感器组成的计数器电
816x416 - 33KB - JPEG

开关型霍尔传感器可控制哪些元器件
500x587 - 41KB - GIF

【台湾育升 开关型霍尔IC 线性霍尔传感器 W4
500x345 - 34KB - JPEG

转速传感器原理图_霍尔转速传感器原理_转速
413x261 - 56KB - JPEG

霍尔元件输出电压很小
400x438 - 13KB - GIF

霍尔传感器原理 - 电气技术
315x273 - 10KB - JPEG

UGN-3501T霍尔传感器组成的计数器电路图
816x416 - 38KB - JPEG

霍尔传感器应用电路图
711x355 - 45KB - JPEG