收音机的原理及电路分析 15112500639|2012-02-15 |举报 共享文档 共享文档是百度文库用户免费上传的可与其他用户免费共享的文档,具体共享方式由上传人自由设定。了解

微型收音机电路原理图- 无线通信电子电路图
705x387 - 33KB - JPEG

求一张收音机电路图+越详细越好
500x344 - 34KB - JPEG

微型收音机电路原理图
705x387 - 36KB - JPEG

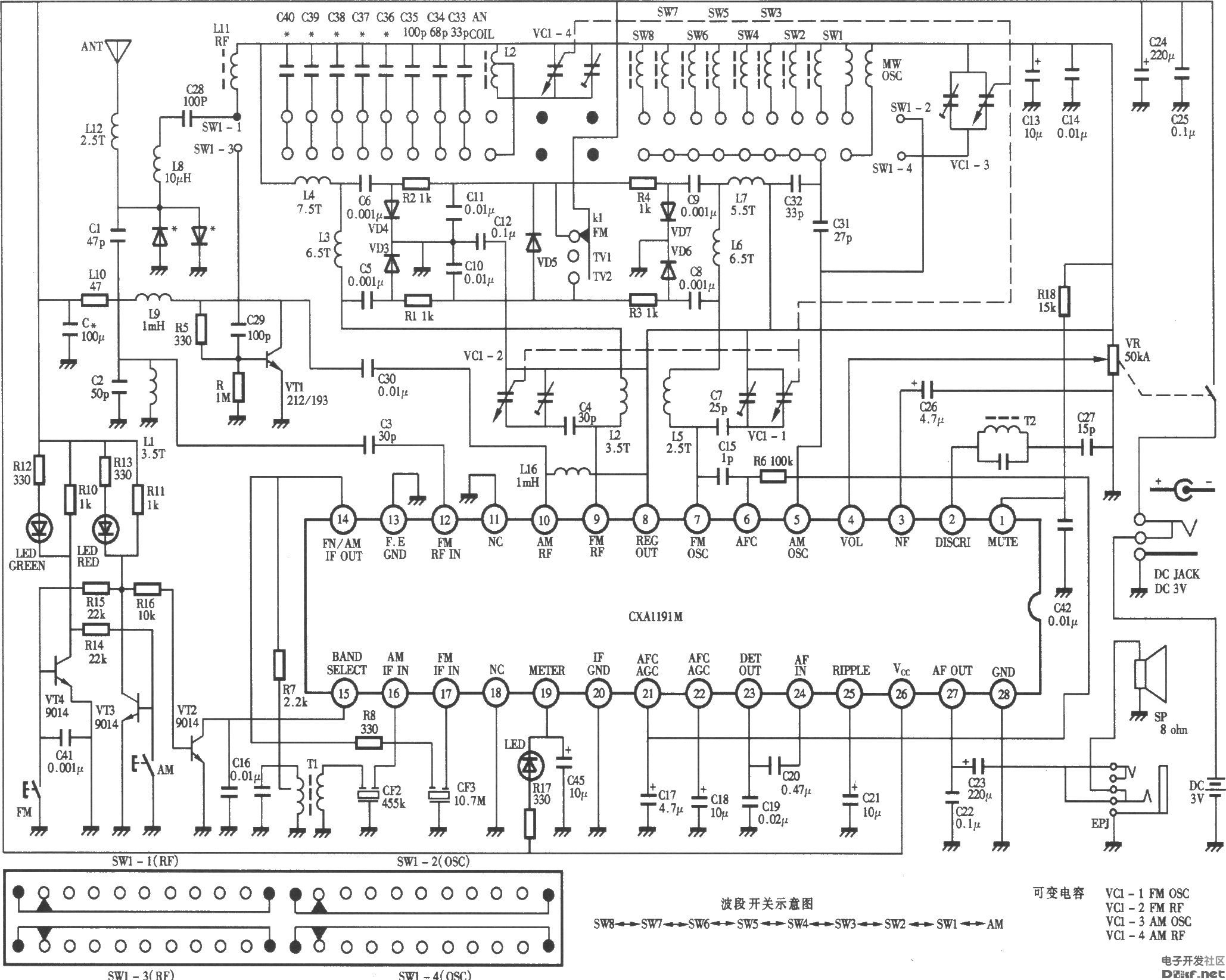
德生收音机原理图(cxa1191m)
2058x1645 - 422KB - JPEG

603型电子管收音机电路原理图
948x513 - 93KB - JPEG

D9018袖珍收音机电路原理图-电子电路图,电子
480x350 - 56KB - JPEG

红灯711电子管收音机电路原理图集
1585x820 - 512KB - JPEG

六管收音机电路原理及制作---AM RADIO
787x350 - 166KB - JPEG
红灯735收音机电路原理图_硬软兼得博客
690x564 - 70KB - JPEG

电脑选台FM收音机电路图,原理图
594x378 - 52KB - JPEG

【图】收音机电路工作原理图音频电路
644x484 - 15KB - GIF

电子管收音机原理图
636x430 - 42KB - JPEG

【图】迎春牌751型收音机电路原理图语音电路
1000x429 - 140KB - GIF

六管超外差式晶体管收音机原理电路图
741x307 - 37KB - JPEG

矿石收音机制作电路图,矿石收音机原理
600x408 - 97KB - JPEG