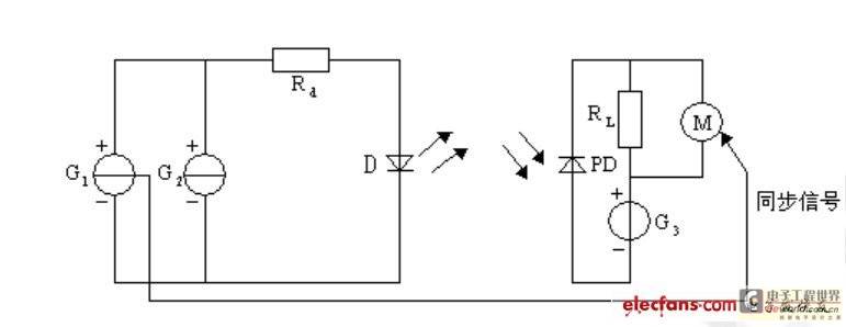
半导体发光二极管测试方法摘要系统地介绍了与发光二极管测试有关的术语和定义在此基础上详细介绍了测试方法和测试装置的要求。1前言半导体发光二极管是一种重要的光

简易发光二极管测试方法 -LED
517x348 - 19KB - JPEG

简易发光二极管测试方法 -LED
611x293 - 13KB - JPEG

简易发光二极管测试方法 -LED
913x419 - 34KB - JPEG

简易发光二极管测试方法 -LED
519x562 - 29KB - JPEG

简易发光二极管测试方法
519x562 - 70KB - JPEG

半导体发光二极管芯片测试方法-新世纪LED网
367x276 - 38KB - JPEG

如何简单有效发光二极管测试方法 - led照明 光
519x562 - 30KB - JPEG

怎样检测发光二极管-技术资料-51电子网
300x370 - 14KB - JPEG
半导体发光二极管测试方法2
295x302 - 19KB - JPEG

半导体发光二极管测试方法(全)
374x204 - 9KB - JPEG

JBT10875-2008发光二极管光学性能测试方法
800x1168 - 79KB - PNG

SJT11394.2009半导体发光二极管测试方法.pd
800x1135 - 104KB - PNG

简易发光二极管测试方法 -LED
815x577 - 90KB - JPEG

简易发光二极管测试方法
640x366 - 17KB - JPEG

简易发光二极管测试方法
771x298 - 24KB - JPEG