eclipse + arm-none-eabi-gcc自己搭建 搭建完你会更了解他 ---分割线--- 最近私信如何搭 startup_stm32f10x_hd.s,注意需要把后缀改为大写S,能够被Sourcery G++识别为汇编文

STM32F100VCT6 ST ARM 32位单片机 原装现
900x851 - 79KB - JPEG

STM32系统结构、时钟树 - ARM单片机
914x708 - 113KB - JPEG

stm32 编程器 下载器|stm32和arm的区别|stm3
200x200 - 24KB - JPEG

意法半导体推出全新32位ARM Cortex微控制器
1772x1182 - 185KB - JPEG

单片机+arm单片机
400x300 - 10KB - JPEG

STM32F407VET6 | STM32F407VET6, 32 bit A
444x392 - 171KB - JPEG

ARM STM32F103ZET6最小系统板\/核心板电路
600x375 - 27KB - JPEG

正品无铅 STM32F103RCT6 ARM核微控制器L
640x640 - 157KB - JPEG

【转】STM32和ARM的区别
1366x768 - 168KB - PNG

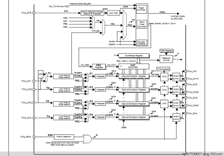
STM32之TIMER定时器之间不同点 - ARM单片
750x523 - 121KB - PNG

意法stm32系列获arm+realview微控制器开发工
542x285 - 23KB - JPEG

意法stm32系列获arm+realview微控制器开发工
555x296 - 25KB - JPEG

ARM Cortex-M4 STM32 STM32F407VET6 开发
640x480 - 33KB - JPEG

ARM STM32F407IGT6 STM32开发板 3.2触摸
755x457 - 134KB - JPEG

STM32和ARM的区别 - ARM单片机
1366x768 - 165KB - PNG