摘要:该电路显示了应如何配置LM2622,以提供+8 V,-8 V和+23 V的输出电压,这对于偏置 摘要:如图为LCD数字钟整点语自报时器电路图。该电路由LCD数显控制电路,光电耦合

基于stc89c52和ht1621d的液晶显示系统的设计
491x347 - 78KB - JPEG

电路图如下:要求加的按键按下lcd1602
450x406 - 44KB - JPEG

计的数字温度计(毕业论文)-毕业设计常用电路-
1040x580 - 55KB - JPEG

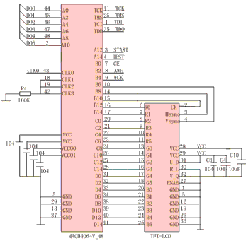
-lcd硬件电路图
350x341 - 10KB - GIF

52单片机连接L298并且LCD1602显示电路图-A
746x507 - 118KB - JPEG

LCD1602液晶显示器 C51模块化程序+电路图
692x641 - 99KB - JPEG
LCD液晶屏电路图-电子电路图,电子技术资料网
424x252 - 29KB - JPEG

液晶显示器电源电路故障-电子电路图,电子技术
381x313 - 19KB - JPEG

LCD 显示模块
368x267 - 24KB - JPEG

控制lcd12864液晶显示模块的电路
350x254 - 20KB - JPEG

用单片机和点阵图型LCD显示屏制作流动图像
792x782 - 137KB - JPEG

LCD1602液晶屏幕显示介绍
479x314 - 80KB - JPEG

电压串联负反馈结构的优越性能 - MEMS加速度
402x264 - 21KB - JPEG

采用TOP247Y设计的45W LCD显示器电源,附电
1073x511 - 74KB - JPEG

【图】多功能显示LCD显示芯片电路图LED电
700x556 - 262KB - JPEG