本专题为土木在线美的电磁炉原理图专题,全部内容来自与土木在线图纸资料库精心选择与美的电磁炉原理图相关的资料分享,土木在线为国内专业的土木工程垂直站点,聚集了1

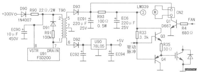
美的电磁炉电路图
921x469 - 140KB - JPEG

美的PD16电磁炉的原理与维修-+电子发烧友网
879x619 - 103KB - JPEG

美的电磁炉电路图
921x469 - 68KB - JPEG

美的MC-EF197电磁炉在使用中叭一声响后,整
649x236 - 23KB - JPEG

【图】由s3f9454构成的奔腾电磁炉电路原理图
800x576 - 84KB - JPEG

美的C20-SH2049电磁炉断续加热故障检修(图
526x490 - 49KB - JPEG

美的MC-SP1915电磁炉,上电后按开\/关键,整机
1652x1029 - 170KB - JPEG

炫薄堪比iphone5 美的电磁炉掀起时尚风-美的
500x268 - 18KB - JPEG

【图】BA6124设计的永华牌M0-88型电磁炉电
2243x1637 - 568KB - JPEG

电磁炉_电子发烧友网站
389x250 - 18KB - JPEG

美的电磁炉质量怎么样 美的电磁炉原理图
646x405 - 116KB - PNG

美的电磁炉主板_九阳电磁炉主板_电磁炉配件
1600x1200 - 480KB - JPEG

美的电磁炉电路图
900x568 - 108KB - JPEG

美的MC-CS20X261型双灶电磁炉电路原理图-
1680x1050 - 438KB - PNG

美的MC-EP201电磁炉电路原理图
1067x641 - 138KB - JPEG