智联招聘LED光学工程师招聘频道帮助求职者更快,更准的找到LED光学工程师相关的工作,还有更多与LED光学工程师相关的招聘信息供您选择【来智联招聘找您更理想的LED

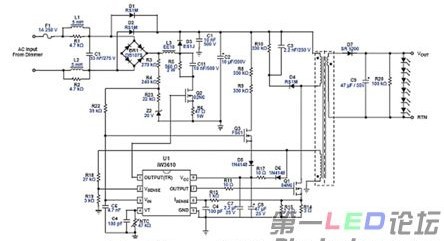
工程师分享:LED球泡灯电源设计经验与光学结
1143x491 - 76KB - JPEG

工程师分享:LED球泡灯电源设计经验与光学结
455x252 - 20KB - JPEG

工程师解析:高功率LED照明灯具光学设计
325x412 - 39KB - JPEG

工程师分享:LED球泡灯电源设计经验与光学结
363x328 - 19KB - JPEG

工程师分享:LED球泡灯电源设计经验与光学结
393x212 - 10KB - JPEG

工程师分享:LED球泡灯电源设计经验与光学结
399x213 - 15KB - JPEG

工程师分享:LED球泡灯电源设计经验与光学结
444x241 - 26KB - JPEG

【LED光学工程师_江苏炘睿光电科技有限公司
306x304 - 22KB - JPEG

工程师解析:高功率LED照明灯具光学设计 - Ch
316x201 - 14KB - JPEG

工程师分享:LED球泡灯电源设计经验与光学结
444x241 - 26KB - JPEG

工程师分享:LED球泡灯电源设计经验与光学结
417x323 - 29KB - JPEG

工程师解析:高功率LED照明灯具光学设计 -LED
325x412 - 40KB - JPEG

译介社|LED学院 Lesson 4:LED光学 反射器,光
624x337 - 25KB - JPEG

信息,此公司现招聘技工\/普工,LED光学工程师,工
280x210 - 12KB - JPEG

一个LED屏工程师的研发笔记:单双色时代将终
1600x857 - 436KB - JPEG