
简单MOSFET管A类耳机放大器电路图
530x530 - 142KB - JPEG

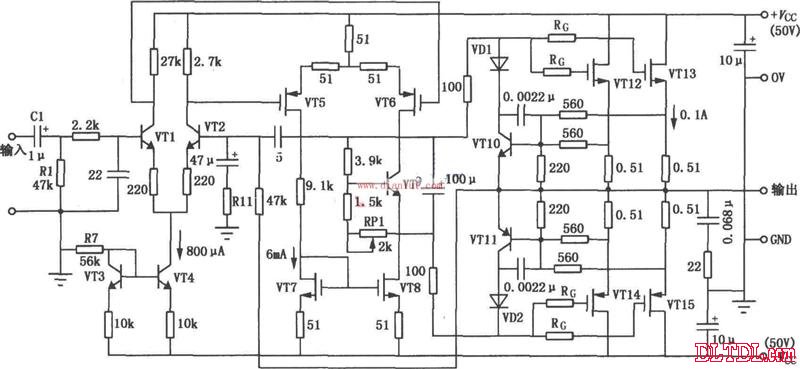
MOSFET管功率放大电路
800x369 - 56KB - JPEG

供应场效应MOSFET管,STP14NK50
388x340 - 25KB - JPEG

功率mosfet管构成的功率放大器电路图
555x543 - 110KB - JPEG

简单MOSFET管A类耳机放大器电路图
400x359 - 13KB - JPEG

MOSFET管功率放大电路_电路图之家
800x369 - 95KB - PNG

采用UHC超大电流MOSFET管制作的功率放大
1016x753 - 110KB - JPEG

简单MOSFET管A类耳机放大器电路图
530x530 - 143KB - JPEG

采用UHC超大电流MOSFET管制作的功率放大
841x436 - 71KB - JPEG

【专营3.5V,GSM1800传输放大器的功率MOS
280x210 - 7KB - JPEG

采用大功率MOSFET管功率放大器模块的热设
993x1404 - 167KB - PNG

mosfet功率放大器pcb_mosfet功率放大器diy_m
800x600 - 94KB - JPEG

mosfet功率放大器pcb_mosfet功率放大器diy_m
999x749 - 363KB - JPEG

2017年功率MOSFET管市场预测!MOSFET管采
819x380 - 26KB - JPEG

原装DC\/DC降压IC MOSFET管 复位ICEUP791
701x382 - 58KB - JPEG