电视机突然冒烟是由于电视机里某些元器件损坏、湿度过大而相邻元件产生漏电打火,或 减少寿命,现在要做的就是打电话给海尔售后,等待他们给你修理来。希望可以帮助你。

维修十余年-最专业昆山彩电维修|海尔电视机维
280x249 - 18KB - JPEG

海尔电视机三无 LCDHOME论坛 - LCD之家论
632x591 - 64KB - PNG

【新乡红旗二手海尔电视机求购_交易市场】
168x168 - 6KB - JPEG

老伯看电视太入迷 电视机起火冒烟毫无察觉
296x310 - 20KB - JPEG

电视机的正确使用方法大全,三亚家电维修,为您
601x520 - 30KB - JPEG

创维液晶电视底座通用_创维自动关机重启冒烟
795x795 - 286KB - JPEG

创维液晶电视底座通用_创维自动关机重启冒烟
640x640 - 53KB - JPEG

海尔电视机55智能_海尔电视机48寸智能4k_长
650x650 - 50KB - JPEG

海尔电视机说明书内容简介
600x397 - 20KB - JPEG

海尔电视机LU52T1-产品展示
254x201 - 64KB - PNG

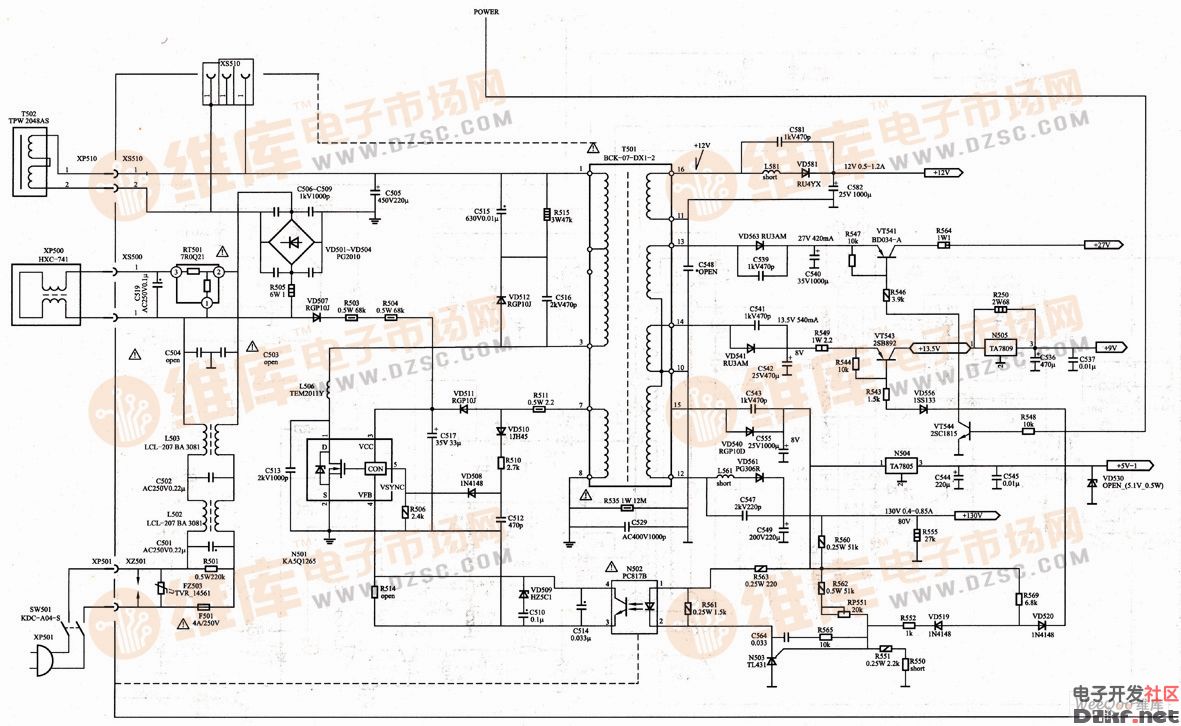
海尔8879机芯彩色电视机开关电源电路图
1181x726 - 141KB - JPEG

Haier\/海尔 LE42A70\/42英寸LED液晶电视机\/智
800x800 - 151KB - JPEG

Haier\/海尔 H32E08 32寸\/LED液晶电视机\/超薄
800x800 - 30KB - JPEG

海尔电视机48寸_海尔48寸液晶电视机_海尔48
394x354 - 217KB - PNG

海尔液晶电视机60寸4k智能_海尔43寸4k智能液
1200x1200 - 1182KB - PNG