家电维修资料网是一个集合家电维修经验交流与技术分享的综合性网站。 您好,欢迎您访问家电维修资料网 登陆免费注册 用手机访问 创维4K通用板7R08安装方法 创维7R08通

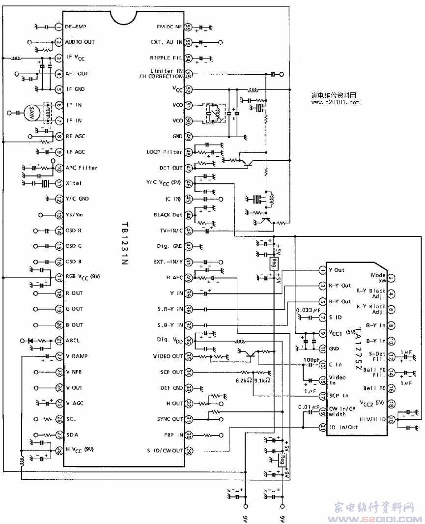
TA1275Z SECAM解调器_家电维修资料网
865x1066 - 128KB - JPEG

免费家电维修资料网-家电维修还有前途吗,家电
1000x500 - 343KB - JPEG

家电维修资料网 家电维修资料网 D2012怎样测
592x407 - 52KB - JPEG

SAA4849系列微处理器_家电维修资料网
623x1201 - 105KB - JPEG

A7630电源管理器故障检修_家电维修资料网_
900x555 - 92KB - JPEG

单片机LPC2132_家电维修资料网
506x501 - 41KB - JPEG

电脑atx电源原理_家电维修资料网
455x403 - 30KB - JPEG

康佳液晶平板电视维修方法_家电维修资料网_
781x450 - 77KB - JPEG

液晶屏LVDS线类型图文讲解_家电维修资料网
590x330 - 37KB - JPEG

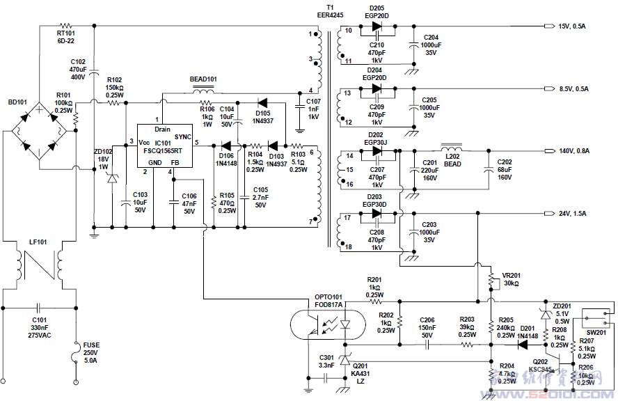
FSCQ1465电源厚膜块_家电维修资料网
888x576 - 76KB - JPEG

STC12C2052AD单片机_家电维修资料网
462x237 - 23KB - JPEG

真心家电维修资料网【狠撸妹Q2463271391】
320x240 - 8KB - JPEG

家电维修自学网|家电维修资料网|自学家电维修
330x220 - 16KB - JPEG

彩电维修-家电维修视频-家电维修资料网
444x342 - 76KB - JPEG

OM8380H视频显示处理器_家电维修资料网
700x474 - 53KB - JPEG