液晶显示器高压板维修,修液晶高压板故障令人头疼,特别是疑难故障或配不到相应的高压板时一个头两个大,但总不至于报废或退修吧,那多没面子,其实人-其他电子维修电路图-电

液晶显示器高压板维修代换实例_电子设计应用
500x923 - 60KB - JPEG

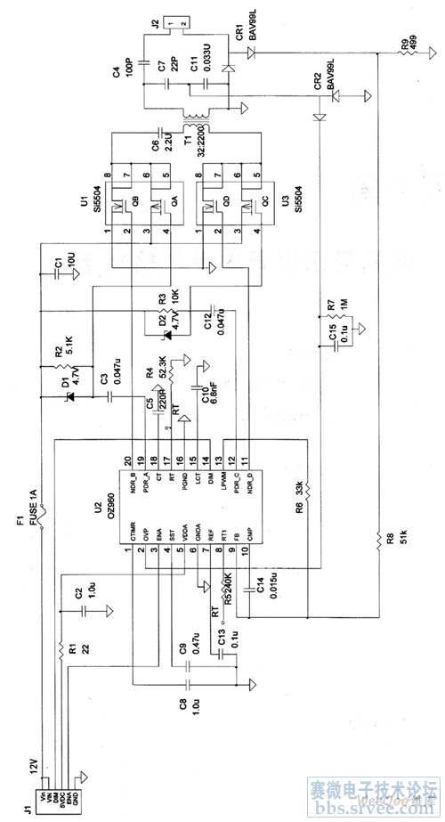
液晶显示器高压板维修代换实例
500x837 - 155KB - JPEG
液晶显示器结构原理与维修-电子电路图
389x294 - 39KB - JPEG

液晶显示器高压板维修代换实例
500x711 - 155KB - JPEG

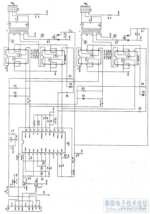
液晶显示器高压板芯片级维修与代换(下)
732x1228 - 127KB - JPEG

液晶显示器高压板维修代换实例_电子设计应用
500x837 - 66KB - JPEG

杭州家电维修培训__液晶显示器\/液晶电视维修
500x330 - 74KB - JPEG

看图学修液晶显示器txt免费下载_读后感_在线
500x340 - 37KB - JPEG

液晶高压板便宜价格 液晶显示器高压板质量好
345x203 - 20KB - JPEG

液晶显示器高压板维修代换实例_电子设计应用
500x711 - 64KB - JPEG

液晶显示器高压板维修
500x288 - 41KB - JPEG

液晶显示器高压板维修代换实例
500x923 - 133KB - JPEG

液晶显示器高压板维修代换--湖南阳光电子技术
300x253 - 26KB - JPEG

LCD高压板高品质高压板高压条 液晶显示器高
800x336 - 74KB - JPEG

谈液晶显示器高压板的代换
876x457 - 70KB - JPEG