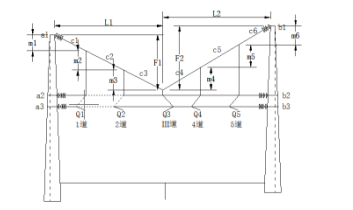
软横跨各节点说明 woolfu|2016-03-25 |举报 共享文档 共享文档是百度文库用户免费上传的可与其他用户免费共享的文档,具体共享方式由上传人自由设定。了解文档类型 专业

接触网计算之软横跨、腕臂、吊弦计算及程序-
955x454 - 93KB - JPEG

正在进行更换软横跨节点
500x375 - 31KB - JPEG

中国中铁电气化局集团第三工程有限公司
711x450 - 68KB - JPEG

软横跨节点记忆(珍藏版)
1151x453 - 59KB - PNG
.png)
基于VBA实现EXCEL预制接触网软横跨
353x210 - 19KB - PNG

接触网软横跨节点图 接触网零件 - 软横跨-范文
1080x810 - 82KB - JPEG

春运系列:铁路蜘蛛人
960x627 - 222KB - JPEG

15米接触网钢支柱、软横跨钢支柱厂家
738x573 - 112KB - JPEG

接触网软横跨节点图 接触网零件 - 软横跨-范文
1080x810 - 109KB - JPEG

接触网软横跨节点图 接触网零件 - 软横跨-范文
1080x810 - 102KB - JPEG

接触网软横跨节点图 接触网零件 - 软横跨-范文
1080x810 - 89KB - JPEG

接触网软横跨节点图 接触网零件 - 软横跨-范文
1080x810 - 98KB - JPEG

接触网-软横跨
640x480 - 151KB - JPEG

铁路电气化改造工程接触网软横跨安装图 - Aut
702x519 - 28KB - PNG

接触网软横跨节点图 接触网零件 - 软横跨-范文
1080x810 - 92KB - JPEG