RS232是什么 RS232接口就是串口,电脑机箱后方的9芯插座,旁边一般有 |O|O|样标识。一般机箱有两个,新机箱有可能只有一个。笔记本电脑有可能没有。有很多工业仪器将它

serial+(rs232)
921x598 - 33KB - JPEG

西门子导轨(2000mm)
333x286 - 10KB - JPEG

RS232 端口通讯原理与应用IC及跳线-机电之家
992x579 - 51KB - JPEG

RS-232
300x200 - 59KB - PNG
【整理】RS232的引脚的名称及位置和功能含
484x281 - 27KB - JPEG

serial+rs232
800x591 - 82KB - JPEG

司生产供应rs232分配器
640x480 - 78KB - JPEG

rs232+db25+db9
500x500 - 17KB - JPEG

21eaa131 rs-232c电缆_rs-232数据线_usb转rs
1000x648 - 35KB - JPEG

批发rs232数据串口+母头接口
310x284 - 11KB - JPEG

rs232+通信模块+串口+公头
670x503 - 63KB - JPEG

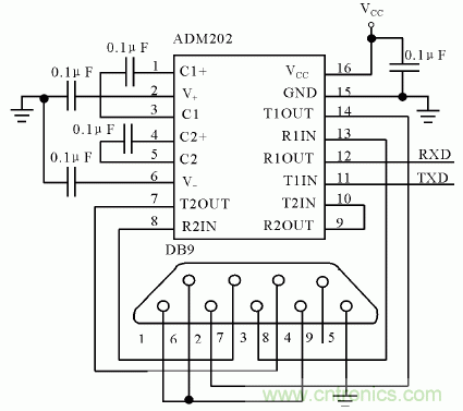
rs232接口电路的定义
425x377 - 11KB - GIF

深圳市志鹏源塑胶电子有限公司生产RS232串
700x500 - 38KB - JPEG

rs232接口,串口座
359x289 - 23KB - JPEG

rs232连接线9公+++9母
600x600 - 15KB - JPEG