电子发烧友网为大家提供了GCl6型格力电磁炉原理图,格力GCl6电磁炉电路主要元件是74LS145等元件。. 2012-03-19 关键字: 电磁炉格力电磁炉原理图 基于8749的电磁炉原理

看图学会电磁炉故障维修 - 精通维修下载
2332x1476 - 295KB - JPEG

富士宝IH-P190B型电磁炉,开机不久,机内就发出“啪、啪”打火放电声 - 精通维修下载
1493x881 - 280KB - JPEG

电磁炉原理图+-+已解决
500x387 - 40KB - JPEG

电磁炉使用维修经验图解 - shanxishaoqian的日志 - 网易博客
629x305 - 42KB - JPEG

海尔CH2009电磁炉电路原理分析_其它_电磁炉维修_小家电维修_家电维修_家电配件网
754x462 - 88KB - JPEG

电磁炉维修实例(附原理图) - 拆机乐园 单片机论坛
670x503 - 81KB - JPEG

该电磁炉原理图分析!+-+维库电子市场网
1436x1036 - 806KB - PNG

电磁炉的制作原理图
450x330 - 18KB - JPEG

(班沙克)==这个是电磁感应加热原理图
310x275 - 13KB - JPEG

电磁炉原理图分析-爱福窝装修知识
458x312 - 45KB - JPEG

电磁炉电路原理图其它
2426x1403 - 354KB - JPEG

电磁炉维修实例(附原理图) - 拆机乐园 单片机论
670x436 - 65KB - JPEG

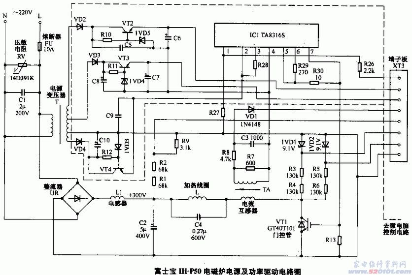
富士宝IH-P50电磁炉原理图_家电维修资料网
836x559 - 90KB - JPEG

富士宝电磁炉原理图_电路图之家
1814x1335 - 331KB - JPEG

电磁炉原理图6
1120x810 - 517KB - JPEG