24v直流电机启动电流太大 社会杂谈浏览:3469 回复:5 收藏 我现在用一款插标机 ,里面有两个24直流小电机,不是同时作用。其中一个小电机一启动(产品要求电机瞬间启动停止

一款大功率直流电机过流保护电路-jdbpcb.com
513x263 - 25KB - JPEG

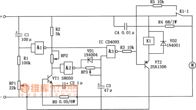
大功率直流电机过流保护电路图
650x364 - 48KB - GIF

客户定制12V\/24V供电小功率直流无刷电机驱动
677x445 - 201KB - PNG

客户定制24V直流无刷电机300W配15A控制器
800x800 - 438KB - JPEG

【电机制动器 直流有刷 正反转\/调速 电流PID 电
400x400 - 23KB - JPEG

数字直流电机的调速控制电路
500x292 - 41KB - JPEG

微型电动机-大量供应 385SA\/SH 24V 微型直流
320x240 - 16KB - JPEG

空载装束可达85000转的60W\/24V直流无刷电机
800x800 - 391KB - JPEG

【12V-24V200A-500A直流继电器超大电流汽车
704x704 - 84KB - JPEG

24V直流无刷风机 12V冷藏车风机 外转子离心
800x559 - 58KB - GIF

高压直流大电流密封改装 包邮 1000A汽车继电
200x200 - 16KB - JPEG

【PWM 直流电机调速器15A 12V24V36V控制
1080x1080 - 223KB - GIF

【图】直流电机正反转控制驱动电路图电机控制
598x391 - 82KB - JPEG

家纺设备用150W直流无刷电机上电以后总是延
575x321 - 239KB - PNG

有刷无刷直流伺服电机通用的伺服驱动器控制器
629x611 - 60KB - JPEG