电路如图lm324用单电源5V供电,V-接地。仿真输出1.6V。但是我用面包板实际搭的时候 以确保在没信号输入使的输出电压为1/2Vcc,在直流放大器中这问题更难解决,故直流放

运用于WLAN射频前端功率放大偏置模块电路设
627x416 - 37KB - PNG

直流伺服放大器电路图
561x256 - 16KB - JPEG

负反馈放大电子电路设计与原理精析
504x441 - 34KB - JPEG

电路图天天读(15):几种电子工程师常用模拟电路
335x289 - 21KB - PNG

图】采用NPN和PNP的均衡型直流放大电路图
1000x798 - 247KB - JPEG

图】非反转直流放大电路图电流环放大电路图维
567x340 - 37KB - GIF
【图】基本放大电路的直流通路和交流通路其它
526x313 - 22KB - JPEG

高阻可调增益直流放大电路
1088x644 - 94KB - JPEG

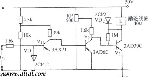
大功率直流放大器电路图
500x260 - 23KB - JPEG

单管放大电路及其直流等效电路图
493x200 - 11KB - JPEG

直流放大器电路及原理介绍
480x363 - 149KB - JPEG

图】晶体管构成的直流放大电路图电流环放大电
600x425 - 28KB - GIF

大虾帮忙看看放大电路啊
390x270 - 40KB - PNG

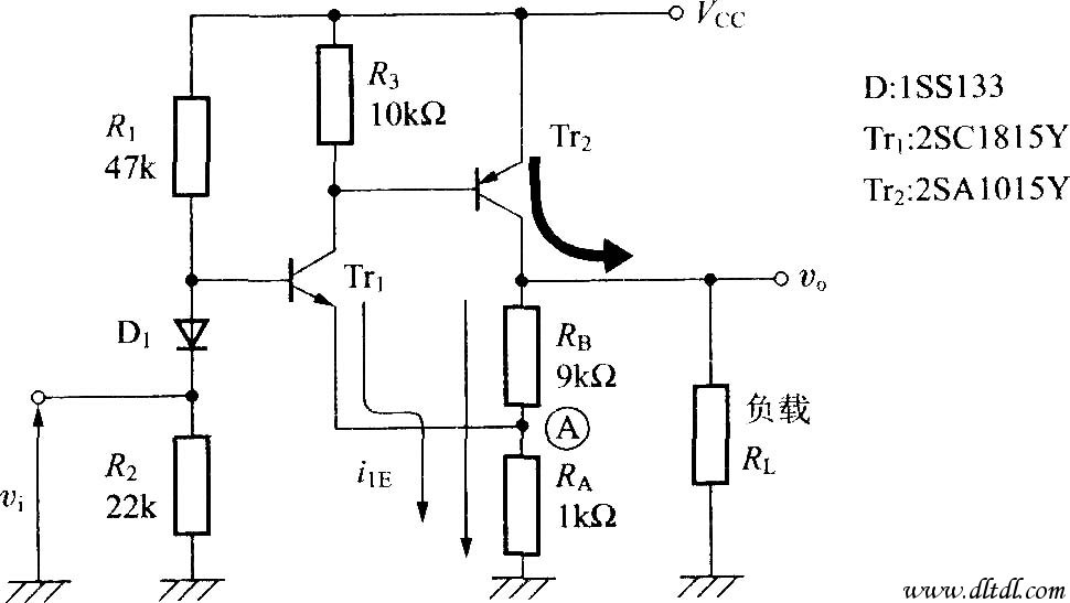
使用NPN和PNP的非反转直流放大电路
970x547 - 55KB - JPEG

直接耦合两极放大电路直流分析
437x401 - 3KB - GIF