三极管和电阻电容组成的延时电路有很多种形式,下面是一种延时比较准确工作比较可靠的延时电路。延时时间在6V供电时约是0.91RC(在5V供电时约是0.97RC)。在Vo端输出

只用电容、电阻、二极管制作RC延时电路? - 电
640x512 - 11KB - JPEG

只用电容、电阻、二极管不用555电路能制成延
500x236 - 20KB - JPEG

只用电容、电阻、二极管制作RC延时电路? - 电
500x236 - 20KB - JPEG

怎么用电容电阻做一个延时电路
506x447 - 5KB - JPEG

只用电容、电阻、二极管制作RC延时电路? - 电
500x400 - 12KB - JPEG

RC电阻电容延时电路简要分析_word文档在线
893x449 - 88KB - PNG

求个延时断电电路,用三极管,电容器,电阻等简单
600x407 - 41KB - JPEG

求一个三极管,电阻电容组成的延时电路,延时一
387x353 - 401KB - BMP

实验论证6Z4做高压延时电路输出150ma电路的
997x725 - 236KB - JPEG

器通常有一个大电解电容和一个电阻组成充放电
623x490 - 37KB - JPEG

求个用三极管、电阻、电容器做的延时断电电路
398x273 - 318KB - BMP

【电路分析】 采用555时基电路的简易长延时电
551x321 - 15KB - PNG

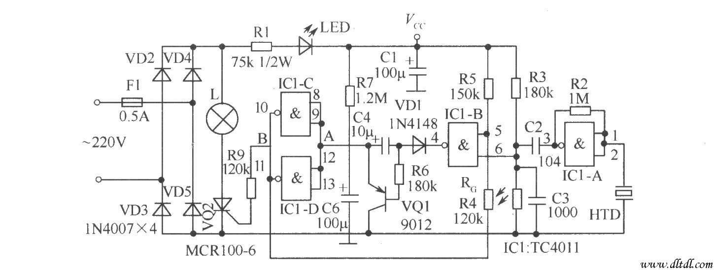
长延时光控开关电路
1449x549 - 98KB - JPEG

实验论证6Z4做高压延时电路输出150ma电路的
934x765 - 191KB - JPEG

求个延时断电电路,用三极管,电容器,电阻等简单
296x402 - 11KB - JPEG