第38卷第5期 2001年l0月半导体情报 17集成电路技术发展的物理极限挑战与对策邝小飞 (零陵师专物理系,湖南永州 425006)金湘亮 (中国科学院微电子中心,北京 100029)搐要:

集成电路技术发展的物理极限挑战与对策_CNK
263x392 - 31KB - JPEG

1.2.3 集成电路的发展趋势
545x206 - 3KB - GIF

集成电路产业,什么是集成电路产业?集成电路产
640x332 - 55KB - JPEG

集成电路产业形态演变和发展机遇.pdf
800x1086 - 193KB - PNG
.png)
热点!人机交互极限|化工插手集成电路|国产IC再
304x267 - 65KB - PNG

集成电路发展历程及未来展望
600x400 - 421KB - PNG

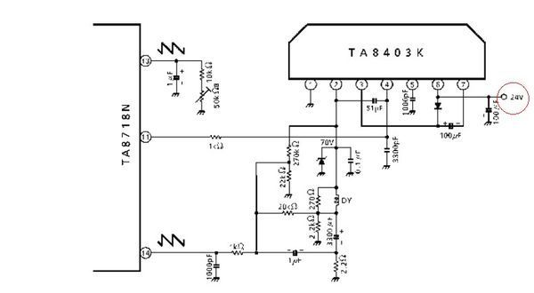
TA8403K场集成电路的供电电压是多少_360问
600x330 - 17KB - JPEG
摩尔定律或将走向极限,中国集成电路产业能否
578x358 - 17KB - JPEG

集成电路发展历程及未来展望
600x400 - 344KB - PNG

ba656发光二极管电平指示胆动集成电路 - 接口
440x543 - 46KB - JPEG

集成电路上可容纳的晶体管数量不断增加,是否
1215x2160 - 894KB - PNG

集成电路(IC)-DC-DC降压模块电源24V36V转5
686x843 - 196KB - JPEG

电子元器件发展史
584x375 - 33KB - JPEG
.png)
热点!人机交互极限|化工插手集成电路|国产IC再
316x233 - 53KB - PNG

集成电路(IC)-DC-DC降压模块电源24V36V转5
650x809 - 120KB - JPEG