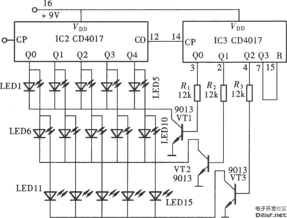
CD4017与555芯片组成的LED流水灯电路图 作者:dolphin时间:2011-05-04浏览次数:7394 CD4017与555芯片组成的LED流水灯电路图 分享给小伙伴们: 相关电路 相关新闻 相

CD4017实现流水灯电路-电子电路图,电子技术
292x270 - 29KB - JPEG

集成电路cd4017流水灯电路图,解决方案
440x215 - 32KB - JPEG

求CD4017流水灯电路图 - LED论坛 - 中国电子
1260x470 - 82KB - JPEG

【图】由cd4017构成的电子八音盒电路图语音
918x666 - 110KB - GIF

ne555+cd4017流水灯电路图
520x330 - 72KB - JPEG

cd4017+flowing
566x351 - 22KB - JPEG

电路板 555 cd4017 流水灯
450x441 - 23KB - JPEG

流水灯控制电路.要求555
960x720 - 55KB - GIF

求最简流水灯电路图。
450x273 - 29KB - JPEG

ne555+cd4017的流水灯设计
500x269 - 22KB - JPEG

求CD4017流水灯电路图 - LED论坛 - 中国电子
1109x755 - 110KB - JPEG

【图】用CD4017组成模拟钟摆电路图模拟电路
800x476 - 57KB - GIF

cd4017,mc1413组成的led闪烁灯电路
526x328 - 36KB - JPEG
cd4017数字led流水灯电路电子制作套件\/散件(
980x962 - 191KB - JPEG

由CD4017组成的多路显示器电路
982x746 - 86KB - JPEG