无论是汽车电子还是人工智能,再或是AR、VR,半导体都是基础,同时中国在该产业也在突破的临界点,也可以说是国家意志,而芯片又是核心中的核心,所以笔者就整理了一下A股上
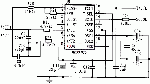
射频识别芯片在汽车智能防盗报警装置中的应用
500x280 - 16KB - GIF

X-RFID芯片在海峡西岸汽车博览会的应用案例
389x283 - 114KB - JPEG

国标超高频RFID读写SoC芯片及汽车电子车牌
576x410 - 31KB - JPEG

射频识别芯片在汽车智能防盗报警装置中的应用
372x239 - 11KB - PNG

汽车芯片感应防盗系统运用RFID最新技术
550x442 - 43KB - JPEG

射频识别芯片在汽车智能防盗报警装置中的应用
372x239 - 21KB - JPEG

射频识别芯片在汽车智能防盗报警装置中的应用
586x377 - 26KB - GIF

奥地利微电子推出新rfid读卡器芯片_ai汽车网_
500x316 - 30KB - JPEG

国标超高频RFID读写SoC芯片及汽车电子车牌
576x410 - 28KB - JPEG

射频识别芯片在汽车智能防盗报警装置中的应用
549x308 - 41KB - JPEG

汽车用品网 RFID身份识别芯片感应暗锁 锁油路
599x447 - 92KB - JPEG

rfid芯片是什么
500x348 - 16KB - JPEG

【生产厂家】加密48防盗芯片 RFID汽车芯片钥
750x690 - 59KB - JPEG
![射频识别芯片在汽车防盗的应用[图]](http://project.21csp.com.cn/editor/UploadFile/2012-7/20120720114943784378.jpg)
射频识别芯片在汽车防盗的应用[图]
450x252 - 84KB - JPEG

射频识别芯片在汽车智能防盗报警装置中的应用
372x239 - 18KB - GIF