倒计时定时器的用途很广泛。可以YD7377用作定时器,控制被定时的电器的工作状态,定时开或者定时关,最长

汉时 钟表 计时器TIMER正计时倒计时厨房定时
200x200 - 6KB - JPEG

供应定时器 倒计时器带闹钟功能 正倒计时器 厨
500x350 - 23KB - JPEG

金科德TW435型定时器(倒计时定时器)电路简析
1655x1626 - 222KB - JPEG

供应倒计时定时器,几何形定时器 图片
1024x768 - 83KB - JPEG

金科德(kerde) TW-935 电子式倒计时定时器\/插
750x503 - 30KB - JPEG

图】可预置定时的倒计时定时器电路图(CD402
900x518 - 110KB - GIF

三位数显倒计时定时器电路
811x449 - 74KB - GIF

【梓弘三通道会议定时器 电子计时器 厨房提醒
189x210 - 6KB - JPEG

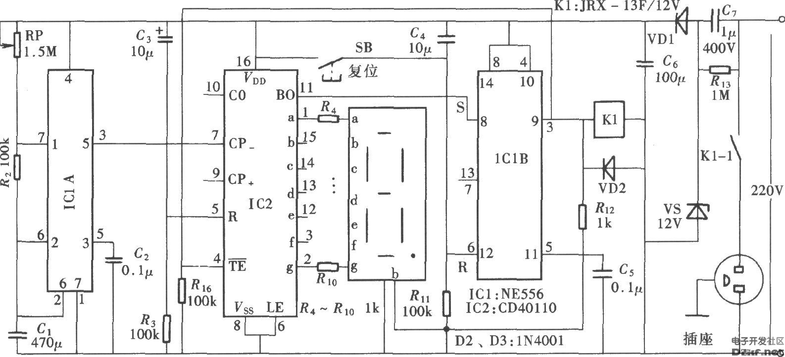
由NE556、CD40110组成的倒计时数显定时器
1586x722 - 131KB - JPEG

精品 电瓶车充电器定时器 倒计时定时器插座 2
249x310 - 12KB - JPEG

制作维修金科德TW-935倒计时定时器维修
918x1156 - 223KB - JPEG

美国百赛施BYXAS 电子定时器 大屏幕定时器
800x800 - 74KB - JPEG

工业暗室倒计时定时器
654x353 - 22KB - JPEG

电动车充电器定时器插座 电瓶车定时器 倒计时
702x702 - 95KB - JPEG

「玩1玩」纯手工 99 分钟倒计时定时器
720x538 - 102KB - JPEG