单联=一个按钮;双联=两个按钮;三联=三个按钮。单控:就是说它只有一个触点(常开触点或常闭触点);双控:就是说它有两个触点(常开触点和常闭触点)。这些开关都是指按钮,带弹

双联开关原理介绍
680x402 - 40KB - JPEG

双联开关的工作原理 单联指一个按钮 - 莱芜新闻网
532x326 - 22KB - JPEG

单控开关和双控开关及三控开关怎么接线?有哪些区别?非常值得收藏-电气施工-筑龙电气工程论坛
450x426 - 28KB - JPEG

双联双控开关接线图解_装修知识_三联
600x408 - 115KB - JPEG

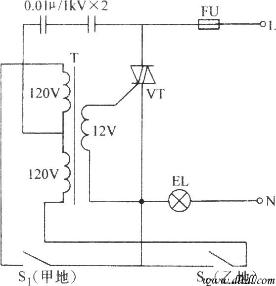
电子双联开关电路_电路图-华强电子网
558x577 - 35KB - JPEG

双联开关,双联开关图-基础知识-电子元件技术网
502x417 - 21KB - JPEG

双联双控开关的接法
354x225 - 12KB - JPEG

双联开关
416x260 - 10KB - JPEG

双联开关怎么装?
500x375 - 11KB - JPEG

双联开关怎样接
1011x761 - 60KB - JPEG

双联双控开关接线图_双联双控开关布线接线方法图解图示图例 - 电工基础知识 电工论坛
606x307 - 63KB - JPEG

谁有双联开关的接线图
720x540 - 63KB - JPEG

你说是四开双控开关吧?给你个实物接线图吧
874x738 - 72KB - JPEG

单控双联5空开关接法
403x330 - 18KB - JPEG

双联单控带指示灯开关_双联单控带指示灯开关价格_双联单控带指示灯开关厂家家电附件
500x500 - 15KB - JPEG