八路彩灯控制器电路图内容来自筑龙网与八路彩灯控制器电路图内容来自与之相关的精品资料、博文热帖、培训课程等。更多八路彩灯控制器电路图相关资料请访问日更新50

彩灯控制器设计;+led节日彩灯电路图图片下载
472x467 - 10KB - JPEG

组合型八路彩灯控制器电路原理图
479x359 - 37KB - JPEG

【图】组合型八路彩灯控制器电路原理图控制电
479x359 - 35KB - GIF

八路彩灯控制器.不用单片机
500x312 - 39KB - JPEG

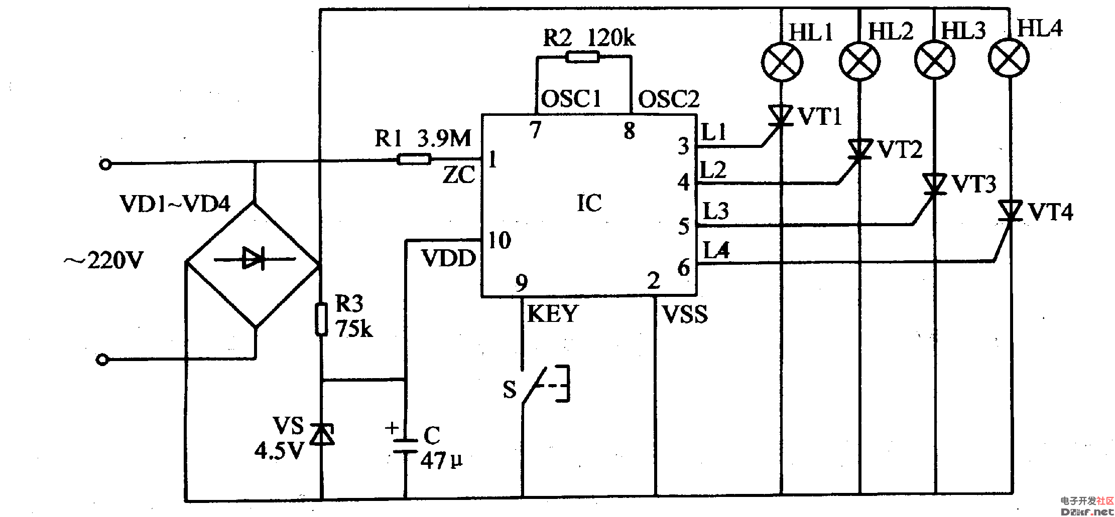
彩灯控制器电路图大全
2221x1031 - 39KB - GIF

【图】5g167音频压控双向流水彩灯控制电路图
950x343 - 64KB - GIF

八路彩灯循环控制电路
940x1072 - 207KB - JPEG

节日彩灯控制器
500x321 - 54KB - JPEG

led彩灯控制器价格 八路彩灯控制器电路图
313x310 - 14KB - JPEG

10种效果的8路彩灯控制器设计
500x373 - 23KB - JPEG

八路彩灯控制器电路图 八路彩灯四种循环-范文
893x1628 - 20KB - PNG

电子设计(双色三循环彩灯控制器)电路图?
500x225 - 17KB - JPEG

八路彩灯控制器电路图 八路彩灯四种循环-范文
893x1989 - 31KB - PNG

八路彩灯控制器电路图 八路彩灯四种循环-范文
893x2000 - 11KB - PNG

发一个纯数字电路硬件搭建的彩灯程控电路(m
800x510 - 224KB - PNG