光电传感器电路设计 1、设计要求利用光电传感器光电对管将机械旋转转化为电脉冲光电对管实物如图1所示。图1光电对管实物图 2、电路设计电路原理图如图2所示。图2光电

较大输出的光电传感器电路图
430x300 - 48KB - JPEG

光电传感器测速电路原理图中各元件作用
502x354 - 10KB - PNG

光电传感器_电路图之家
517x460 - 15KB - PNG

光电传感器
327x313 - 53KB - JPEG

光电传感器的应用+-电子电路图
590x227 - 17KB - JPEG

光电传感器电路图_电路图之家
970x863 - 18KB - GIF

6mm光电传感器+-+易展电子展览网
725x425 - 57KB - JPEG

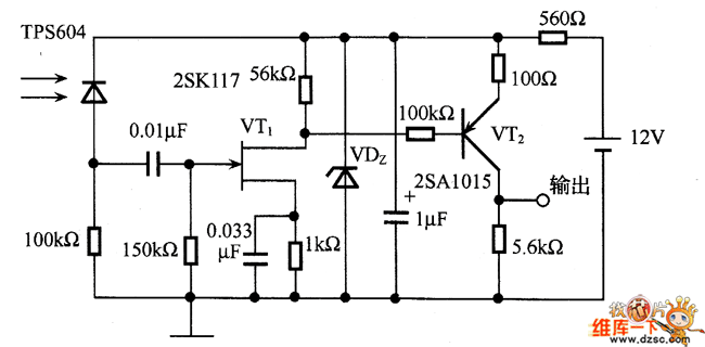
红外遥控接收装置电路图
650x320 - 28KB - GIF

利用传感器和单片机测转速问题
500x267 - 29KB - JPEG

光电传感器式三相断相保护电路图
510x660 - 119KB - JPEG

【图】油压传感器显示原理及工作电路光电电路
605x290 - 42KB - JPEG

一种机器人的寻迹算法
653x231 - 9KB - GIF

光电传感器的应用_火爆安防招商网
500x375 - 24KB - JPEG

科创3 Q01组报告--硬件部分
354x394 - 58KB - JPEG

光电传感器光电眼对射式红外线感应器继电器输
600x342 - 21KB - JPEG