精度100ma量程300a直流电流测量。1,用分流器,到电子市场买一个300a的分流器,在此 用只大功率的采样电阻串在电路中,再用直流电压表测采样电阻两端的电压用I=V/R计算

微小交流电流放大直流电路_电路图-原理图共享
531x218 - 68KB - JPEG

【双向直流电流检测大电流钳表 电流夹钳检测
460x306 - 19KB - JPEG

MC34063与晶体管组成大电流升压开关稳压器
509x269 - 61KB - JPEG

稳压器电路图解析 - 电子常识
522x305 - 60KB - PNG

电流检测电路+--+电子电路图
1099x480 - 84KB - JPEG

交直流钳形电流表电路图-电子电路图,电子技术
246x214 - 16KB - JPEG

电流检测合金电阻
436x209 - 15KB - JPEG

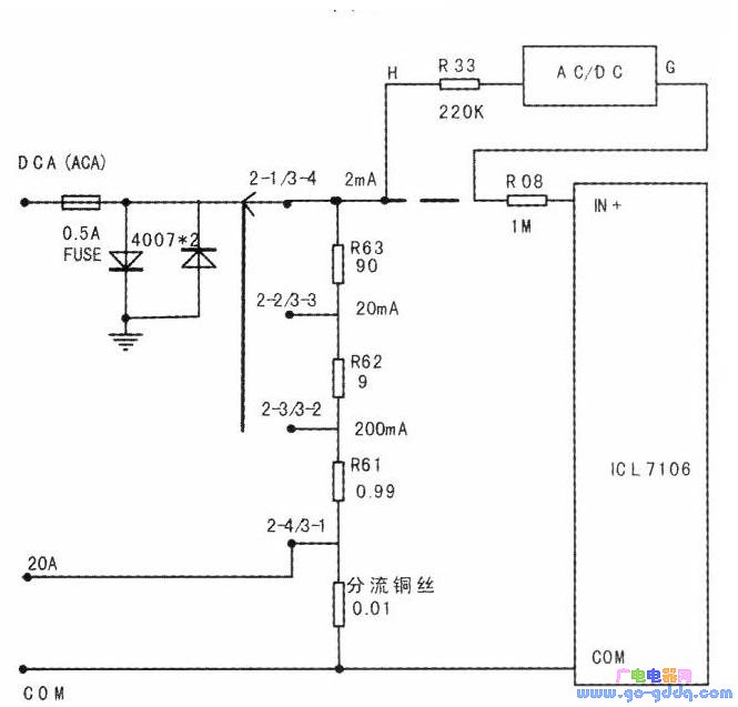
DT9205数字万用表电路工作原理
665x637 - 40KB - JPEG

高压隔离电流检测电路(ISO212、OPA27)
1196x532 - 64KB - JPEG

高压隔离电流检测电路(ISO212、OPA27)电路
1207x559 - 71KB - JPEG

Allegro发布全新大电流集成式直流电机驱动器
500x333 - 36KB - JPEG

高压隔离电流检测电路(ISO212、OPA27)电路
800x356 - 104KB - JPEG

无刷直流电机电流采样及电路保护设计
450x180 - 8KB - JPEG

光纤大电流传感器设计研析与探讨
713x275 - 26KB - JPEG

保护电路中的大功率直流电机过流保护电路图
650x364 - 31KB - JPEG