功率放大器的作用有哪些?:1、放大音量:功率放大器最主要的作用就是用来放大音量的,一般就是使用在家用音响以及各种音响设备上的。功率放大器的安装也是比较简单的,很?

高频小信号放大器和高频功率放大器的作用是什
1089x376 - 33KB - JPEG

功率放大器的作用_火爆安防招商网
500x350 - 15KB - JPEG

ML3860系列高频功率放大器 放大器
800x576 - 37KB - JPEG

功率放大器的作用是什么_家居智能
385x286 - 19KB - JPEG

TAMO\/托瓦 专业卡拉OK 功率放大器 银色 公共
750x628 - 94KB - JPEG

多功能小型MP3\/FM广播功率放大器 背景音乐定
310x271 - 46KB - JPEG

otl功率放大器电路图
388x354 - 19KB - JPEG

微波功率放大器-产品展示
800x600 - 69KB - JPEG

YD7377 音频功率放大器 功能和TDA7377一样
574x502 - 44KB - JPEG

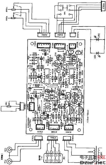
功能完善的低音炮功率放大器
437x681 - 76KB - JPEG

小型胆管耳机放大器|耳机功率放大器|耳机放大器的作用
412x220 - 17KB - JPEG

6各类功率放大器的功能以及用途介绍- 宁波灯
640x480 - 53KB - JPEG

大功率WIFI信号放大器小雷达多功能中继无线w
800x800 - 77KB - JPEG

射频放大器_射频功率放大器_射频信号放大器
800x661 - 108KB - JPEG

300W音频功率放大器电路
545x298 - 43KB - JPEG