lm339在开关电源电路起什么作用 筓筓167 我有更好的答案 2017-11-30 10:30 最佳答案 m339是四比较器,电脑电源中常用来做保护、欠压、过流保护、开关机。其它开关电

一款采用TL494及LM339集成电路TL494设计的
479x438 - 54KB - JPEG

利用LM339电压比较器来完成开关电源的过、
609x329 - 35KB - JPEG

2.31环保电源典范 新一代航嘉磐石355U_硬件
550x367 - 78KB - JPEG

图】LM339设计的自动蓄电池充电电路图及说
974x649 - 78KB - JPEG

(原创)基于LM339开关电源保护\/控制电路震撼发
711x534 - 161KB - JPEG
开关电源TL494驱动板和LM339保护板做好啦!
490x578 - 88KB - JPEG

图文详解电源中的LM339芯片_第1页_开关电源
1099x496 - 127KB - JPEG

拆穿一切谎言 开关电源工作原理详解析
500x375 - 101KB - JPEG

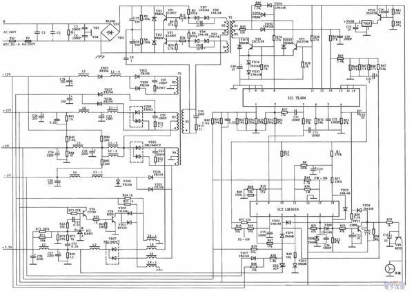
ATX电源的控制电路讲解(TL494及LM339集成
1454x842 - 89KB - GIF

电脑DLP-300A开关电源原理图及维修_360问答
600x426 - 51KB - JPEG

【供应 ATX开关电源电压比较放大器LM339N
279x210 - 9KB - JPEG
.jpg)
一种数控用开关电源保护电路的分析与设计
500x348 - 18KB - JPEG
开关电源TL494驱动板和LM339保护板做好啦!
713x531 - 129KB - JPEG
开关电源TL494驱动板和LM339保护板做好啦!
708x513 - 122KB - JPEG

开关电源保护电路的工作原理 - 开关电源保护电
456x281 - 13KB - JPEG