半导体制冷器的原理与使用半导体制冷器的原理与使用:来源:CPCW作者:责任编辑:一、原理概述大家知道CPU工作时温度越低越好。很多文章都谈到CPU散

TEC1-12706 半导体 制冷片 饮水机 CPU 电子
220x220 - 8KB - JPEG

广州 半导体制冷器 大功率 广州电子空调图片,广
736x488 - 64KB - JPEG

车载冰箱-电子冰包冷热系统,半导体制冷器,软体
310x233 - 16KB - JPEG

半导体制冷器的安装方法(图)
520x239 - 23KB - JPEG

半导体制冷器
500x214 - 17KB - JPEG

半导体制冷片介绍及技术应用|半导体致冷片|制
352x270 - 33KB - JPEG

【现货供应100W半导体空间制冷器50L内箱体
700x700 - 84KB - JPEG

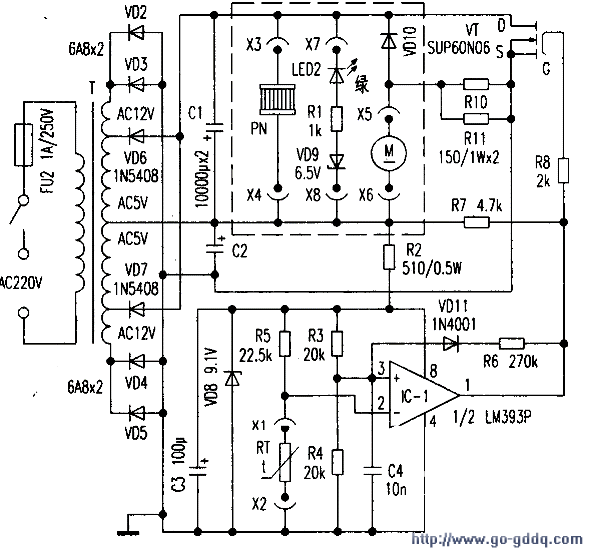
安吉尔JD-2lT\/26T冷热饮水机的制冷电路工作原
591x554 - 31KB - GIF

好评爆卖!饮水机 制冷板 开关电源板 电路板 电
460x358 - 138KB - JPEG

直饮水机原理配件图
534x355 - 153KB - JPEG

半导体制冷器_饮水机制冷器_制冷器小空调_ 电
500x500 - 181KB - JPEG

半导体材料|半导体材料公司_第5页
310x232 - 40KB - JPEG

茗茶网 制冷器 致冷组件 12V60W半导体电子制
600x500 - 89KB - JPEG

半导体制冷器-电池仓空调-机柜空调-电池仓机柜
808x474 - 152KB - JPEG

上海渤锦供应半导体制冷器bjtp
511x422 - 18KB - JPEG