气敏传感器的工作原理 (1)敏感材料的功函数吸附分子的电子亲和力吸附分子从材料中夺取电子(负离子吸附、氧化型气体),敏感材料的载流子减少-R,如O2 、NO等称重传感器。

半导体气敏传感器的工作原理_电气自动化技术
352x286 - 22KB - JPEG

气敏传感器 - 概述,工作原理,半导体,分类 - 金山
600x427 - 33KB - JPEG

传感器工作原理,多图慎点!
411x333 - 50KB - OTHER

气敏传感器
480x212 - 12KB - JPEG

电阻式气敏传感器原理_传感器专题频道_朗特
315x310 - 28KB - JPEG

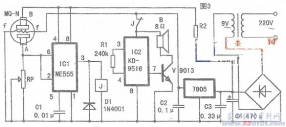
原料分类的气敏传感器电路
535x258 - 47KB - GIF
基于气敏传感器阵列的牛肉新鲜度识别方法研究
590x220 - 26KB - JPEG

高精度气敏传感器测试系统的研制_易展仪表展
335x253 - 15KB - JPEG

半导体气敏传感器的工作原理-技术资料-51电子
449x202 - 52KB - PNG

气敏传感器的分类、工作原理及应用 - 传感器
359x279 - 29KB - JPEG

半导体气敏传感器-半导体气敏传感器原理-半导
535x214 - 31KB - JPEG

气敏传感器介绍及应用,气敏传感器工作原理
500x225 - 22KB - JPEG

气体烟雾探测器(QM-NG1型广谱气敏传感器应
433x224 - 24KB - JPEG

MQ-2气敏传感器原理参数与电路_家电维修资料
577x257 - 26KB - JPEG

气敏传感器原理_风月轩
800x600 - 27KB - JPEG