自 制 L E D 显 示 屏 lkx0000上传于2012-01-28 (高于99%的文档) 自 制 L E D 显 示 屏 自制 LED 显示屏 1 门头 LED 条屏 门头 LED 条屏幕,动感强颜色鲜艳,能吸引注意力,主要

自制LED显示屏
462x224 - 46KB - JPEG

自制led显示屏(4\/4)
570x297 - 37KB - JPEG

供应自制led电子屏 _电子产品制造设备_买卖机
1004x754 - 94KB - JPEG

自制LED电子显示屏_电路图
412x283 - 29KB - JPEG

自制的字幕+LED广告牌 - LED显示屏 - 中国电
800x600 - 68KB - JPEG

LED显示屏DIY自制-LED
460x229 - 43KB - JPEG

自制led显示屏(2\/4)
401x386 - 85KB - JPEG

转换线制法 - LED显示屏DIY自制
475x268 - 22KB - JPEG

自制时尚旋转LED球形屏 -LED
470x280 - 28KB - JPEG

【液晶显示屏移动电源diy自制套件 套料 LED照
700x513 - 96KB - JPEG

自制时尚旋转LED球形屏
331x288 - 18KB - JPEG

自制LED电子显示屏
627x421 - 64KB - JPEG

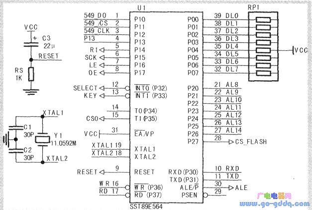
自制16×16LED点阵屏 含原理图 程序 - 单片机
640x480 - 74KB - JPEG

自制时尚旋转LED球形屏 -LED
451x483 - 32KB - JPEG

自制时尚旋转LED球形屏 - LED显示屏技术 - 中
368x384 - 20KB - JPEG