阿里巴巴为您找到14条多通道LED驱动产品的详细参数,实时报价,价格行情,优质批发/供应等信息。您还可以找led驱动,led恒流驱动,led,led厂家,深圳led等产品信息。 多通道LE

爱特梅尔推出高效率多通道led驱动器产品_电子
635x423 - 81KB - JPEG

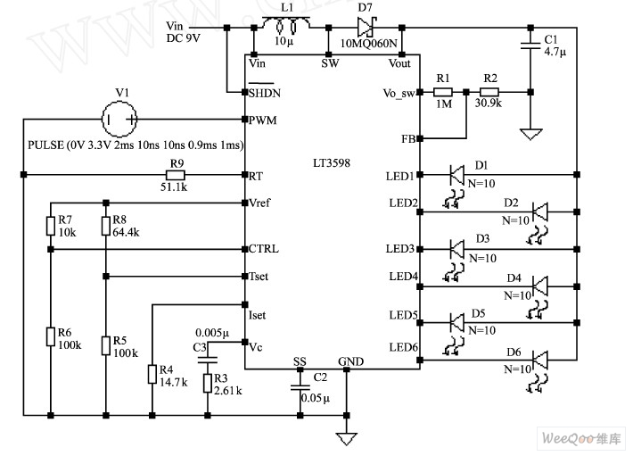
基于LT3598多通道LED集成驱动应用电路的设
710x511 - 103KB - JPEG

基于lt3598多通道led集成驱动应用电路的设计_
710x511 - 103KB - JPEG

SM2135EB多通道智能调光LED驱动芯片 高压
510x341 - 59KB - JPEG

A8522KLPTR-T 多通道LED驱动器图片,A8522
320x213 - 16KB - JPEG
LED全彩视频显示屏驱动设计方案-LED
536x311 - 488KB - BMP

LED全彩显示屏驱动IC的功能及作用_LED全彩
500x333 - 55KB - JPEG

16通道、8通道LED驱动芯片DM11A\/DM11C\/D
631x691 - 136KB - JPEG

基于HSI模型的全彩LED驱动电路设计
401x212 - 17KB - JPEG

【DM114 DM115(B)单双色 全彩LED显屏 护栏
280x210 - 10KB - JPEG

基于HSI模型的全彩LED驱动电路设计
401x212 - 49KB - JPEG

LED全彩RGB驱动控制器 - LT-3800,300 - LTE
500x375 - 72KB - JPEG

先进的LED驱动器提升全彩视频显示屏的质量-
800x510 - 76KB - JPEG

LED驱动器在全彩视频显示屏的中的应用-LED
500x390 - 41KB - JPEG

面向车灯的3通道LED驱动器IC上市-汽车,车灯
400x282 - 21KB - JPEG