两个MOS管并联怎么解决均流问题哪里的宽不能设置百分比?整个datagrid还是里面的列?整个datagrid是可以设置百分比的,列如果要设置百分比,则要通过函数来计算出具体

求助,关于MOS管半桥驱动,驱动芯片与栅极并联
500x286 - 17KB - JPEG

求助,关于MOS管半桥驱动,驱动芯片与栅极并联
433x422 - 24KB - JPEG

容易烧MOS的 基本都是没驱动芯片的-模型配件
1000x667 - 97KB - JPEG

新人做板求助,并联MOS发热不均T T
600x336 - 26KB - JPEG

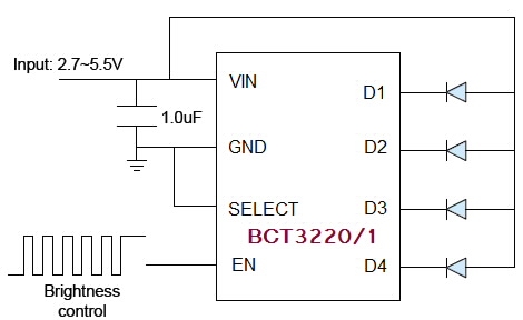
并联6颗LED驱动芯片 HX4002-MF\/HX4002-供
313x311 - 29KB - JPEG

关于多个MOS或IGBT并联时驱动线布线
1332x717 - 57KB - PNG

【并联6颗LED驱动芯片 HX4002-MF\/HX4002
680x491 - 56KB - JPEG

【并联6颗LED驱动芯片 HX4002-MF\/HX4002
680x538 - 55KB - JPEG

广芯电子推出并联八路背光led驱动芯片-中国传
500x358 - 50KB - JPEG

业内首款同时支持共阳、阴极并联背光LED驱动芯片
470x288 - 38KB - JPEG

mos管驱动电路_这是一节MOS管的驱动电路。
300x282 - 7KB - JPEG

关于UCC27714驱动并联mos的问题 - 电源管理
550x301 - 44KB - PNG

如何识别主板上的供电相数?(节选一)
650x487 - 170KB - JPEG

【天微DMX512双线并联差分驱动芯片TM512-
158x426 - 19KB - JPEG

多颗MOS管的并联应用研究
502x249 - 22KB - JPEG