产品名称: CAN总线中继器 品牌: 安融互通-bjarht.com 产品介绍: CAN中继器是一款工业级智能CAN网桥中继器。当CAN总线上设备节点超过110个,或者通讯距离超过10Km时

WSDCanRPT系列Can总线中继器
635x490 - 33KB - JPEG

基于双51单片机的CAN总线中继器设计
880x1041 - 166KB - JPEG

DAM-C3220光电隔离型CAN总线中继器 DAM
708x405 - 51KB - JPEG

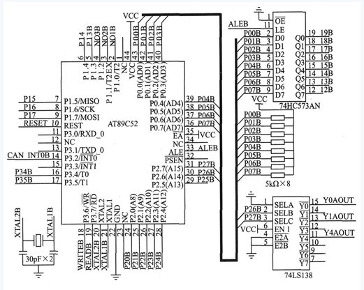
基于双AT89C52单片机的CAN总线中继器设计
1456x1169 - 142KB - JPEG

CAN总线光纤中继器 CAN、DeviceNet
713x244 - 161KB - PNG

光电隔离型can总线中继器dam-c3220图片|光电
500x699 - 24KB - JPEG

CAN总线光纤中继器 CAN、DeviceNet
689x380 - 171KB - PNG

海湾消防can总线光纤中继器
600x485 - 27KB - JPEG

CAN中继器 CAN总线中继放大器_仪表配套_成
692x529 - 391KB - JPEG

易控达 MODBUS\/CAN 总线隔离中继器 2口图
680x299 - 27KB - JPEG

CAN-Bridge-CAN总线中继器在消防报警中的应
1084x854 - 166KB - JPEG

TX6622CAN总线中继器 泰和安- 当宁消防网!
623x321 - 88KB - JPEG

STM32的CAN总线中继器设计及应用
2000x1157 - 98KB - PNG
双MCU的CAN总线中继器设计
880x1041 - 139KB - JPEG

基于双51单片机的CAN总线中继器设计
521x416 - 71KB - JPEG