如果确定主机没问题那就是显示器的高压板或灯管坏,需要拆出来维修.建议先换高压板,飞利浦的坏灯管的较少. 有2种可能,一是你的那根连接主机和显示器的蓝色接口的VGA线

飞利浦显示器_飞利浦 190v3l 电源板_飞利浦功
1800x1350 - 222KB - JPEG

飞利浦170S6液晶显示器电源高压一体IP板电路
1577x1126 - 308KB - JPEG

飞利浦显示屏电源线相关产品 哪几个牌子好
800x600 - 18KB - JPEG

浦液晶电源板_飞利浦电源板_飞利浦显示器22
1600x1191 - 189KB - JPEG

飞利浦显示器关闭移动的白线的方法_外设_威
550x346 - 74KB - JPEG

飞利浦 15a显示器电源电路图 - 21IC电源网
894x591 - 92KB - JPEG

飞利浦显示器_护眼灯飞利浦_飞利浦显示器22
1200x1200 - 174KB - JPEG

飞利浦170S6液晶显示器电源高压一体IP板电路
1586x1046 - 328KB - JPEG

飞利浦190ew9电源板_飞利浦显示器电源板_飞
906x677 - 186KB - JPEG

通用 冠捷 LG 飞利浦19寸 22寸液晶显示器4灯
750x562 - 77KB - JPEG

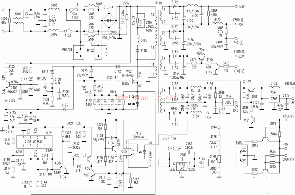
飞利浦显示器电源电路
1000x661 - 156KB - GIF

如何解除飞利浦显示器的屏幕控制锁定,无法关
2048x1536 - 859KB - JPEG

飞利浦液晶电源板_飞利浦显示器电源板_飞利
774x725 - 165KB - JPEG

飞利浦显示器电源板_飞利浦液晶电视_飞利浦
1600x1200 - 456KB - JPEG

led显示屏电源,5v40a飞利浦显示屏专用电源
310x217 - 27KB - JPEG