电容式触摸开关,电子发烧友网站提供各种电子电路,电路图,原理图,IC资料,技术文章,免费下载等资料,是广大电子工程师所喜爱电子资料网站。 欢迎来电子发烧友网,请登录免费

廉价的触摸开关电路
452x298 - 22KB - JPEG

电容式触摸开关芯片 4路输出 SJT5104 4路控制
1052x673 - 82KB - JPEG

集成电路(IC)-低价供应 SJT 电容式触摸感应IC
1244x693 - 72KB - JPEG

集成电路(IC)-5通道电容式触摸感应IC 5路触摸
908x573 - 109KB - JPEG

低成本电容式触摸屏技术
533x344 - 57KB - JPEG

【图】单键触摸开关电路图开关电路
379x252 - 46KB - GIF

【热卖电容式高品质调光触摸感应开关多功能橱
210x210 - 13KB - JPEG

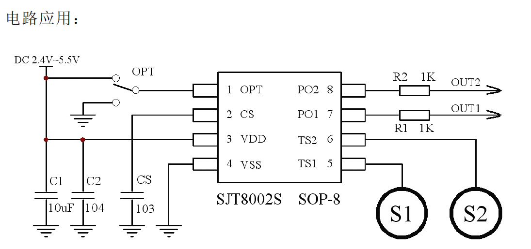
集成电路(IC)-2键触摸感应开关 2键触摸感应按
1095x515 - 80KB - JPEG

消费电子 - 消费类电子
360x220 - 14KB - JPEG

集成电路(IC)-5通道电容式触摸感应IC 5路触摸
800x400 - 74KB - JPEG

触摸开关-热卖电容式新品调光触摸感应开关LE
600x600 - 85KB - JPEG

电容式感应触摸开关_电容触摸开关芯片_7寸电
810x810 - 88KB - JPEG
cmos触摸开关电路图
621x455 - 95KB - JPEG

灯控制器-厂家直销 三路电容式触摸 单火线遥控
303x310 - 39KB - JPEG

电容式触摸传感器触摸屏的实现原理
438x265 - 47KB - JPEG