步步高电话机,步步高电话机故障,步步高103电话机故障,步步高电话机的维修,求步步高电话机图!,步步高电话机电路图,求步步高63电话机电路图,步步高hcd007(53)形电话机,

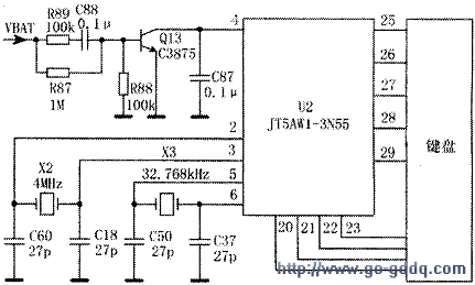
步步高无绳电话维修及故障分析
600x400 - 29KB - JPEG

排行榜 步步高电话机批发 步步高电话机故障 网
308x309 - 11KB - JPEG

排行榜 步步高电话机批发 步步高电话机故障 网
310x235 - 14KB - JPEG

步步高无绳电话维修及故障分析
600x400 - 46KB - JPEG

步步高电话机按键故障|缘聚茶楼
592x469 - 55KB - JPEG

请问步步高 HWCD007(82)电话机挂机不显示(
313x210 - 10KB - JPEG

步步高20信道无绳电话机手机不能工作
431x259 - 11KB - GIF

排行榜 步步高电话机批发 步步高电话机故障 网
310x310 - 74KB - JPEG

(步步高122电话机精选推荐)怎么看步步高122电
300x299 - 63KB - PNG

步步高无绳电话子机充电器简析与维修,解决方
469x278 - 17KB - GIF
![[30P]内线电话机:内线电话机:内线打入没有声音](http://www.sanyom.cn/images/o53xoltlnfxgoytpmqxgg33n/Images/fck/editor/filemanager/connectors/aspx/HTML/imageUp/fck/6033___.jpg)
[30P]内线电话机:内线电话机:内线打入没有声音
729x629 - 284KB - JPEG

步步高无绳电话子机充电器简析与维修
469x278 - 18KB - GIF

步步高无绳电话子机充电器简析与维修 - 消费电
469x278 - 17KB - GIF

杭州步步高oppo手机维修点电话,杭州步步高o
352x220 - 13KB - JPEG

【电话机知识宝库】→电话机故障,电话机没有
375x375 - 18KB - JPEG