
6联10间距互锁开关,按键帽,AH11,玩具遥控玩具配件批发\/采购,乐清市安合电子元件厂 - 玩具巴巴
423x350 - 20KB - JPEG

触摸式互锁电子开关电路_电路图-华强电子网
456x347 - 31KB - JPEG

从RS在线网上购买安全标准互锁开关 D4BS1AFS Omron D4BS-1AFS可次日送货。
444x271 - 24.9KB - JPEG

【图】电子自锁互锁开关电路图控制电路 电路图 维库电子市场网
522x255 - 39KB - GIF

互锁开关线路图
498x438 - 27KB - JPEG

440K-B04025-A-B安全互锁开关___中国机床商务网
650x464 - 425KB - PNG

下面就是互锁开关
360x399 - 15KB - JPEG

CD4017构成的互锁开关电路图_电路图_电子产品世界
713x522 - 157KB - JPEG

从RS在线网上购买安全标准互锁开关 AZ16 安全等级互锁开关, 玻璃纤维外壳, 3 常闭 Schmersal 115 4220 + 108 3036可次日送货。
444x336 - 28KB - JPEG

【美国AB安全互锁开关 Atlas 5保护锁开关 440G-TLS-GD2】价格,厂家,图片,电工开关,无锡盛特威自动化设备有限公司-马可波罗网
650x830 - 63KB - JPEG

互锁开关控控制电路图
1150x696 - 98KB - JPEG

同线电话互锁开关
438x261 - 19KB - JPEG

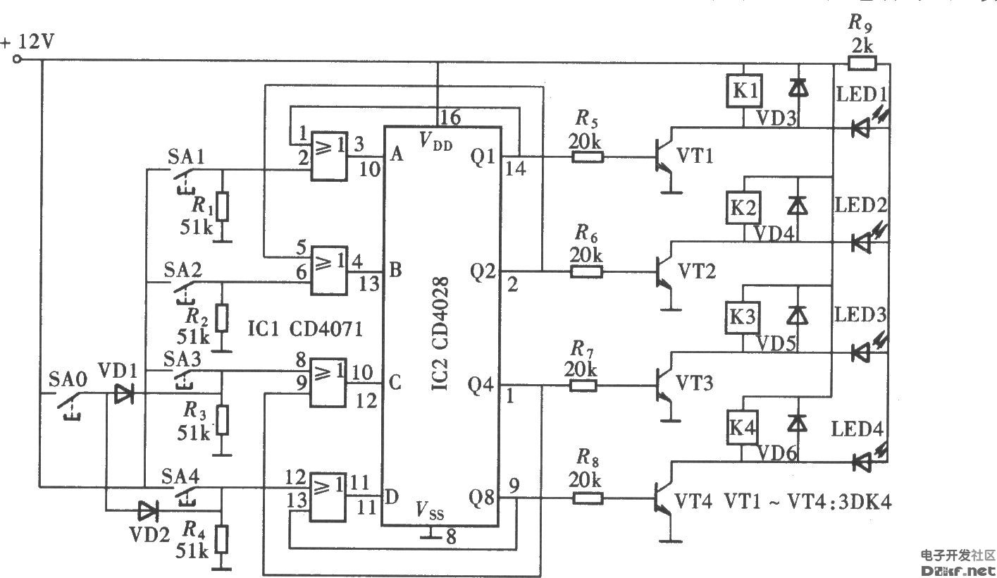
四路互锁开关电路一(CD4028)_电路图-华强电子网
1415x820 - 117KB - JPEG

【3联互锁开关,琴键开关,有锁价格_3联互锁开
500x375 - 56KB - JPEG

图】互锁开关控控制电路图开关电路电路图维库
1150x696 - 320KB - JPEG