
什么是电子管功放?电子管功放和晶体管功放优缺点分析-电子发烧友网
736x412 - 40KB - JPEG

晶体管功放简介
500x378 - 103KB - JPEG

简单的晶体管OCL功放电路制作_电路图-华强电子网
850x516 - 58KB - JPEG

省电的晶体管低放电路_电路图_电子产品世界
1072x411 - 233KB - JPEG

【图】具有300B音色的晶体管后级功放电路设计音频电路 电路图 维库电子市场网
382x318 - 35KB - JPEG

单片音响功放集成电路TDA7294构成的100W功率放大器 - 电子发烧友网
378x289 - 29KB - JPEG

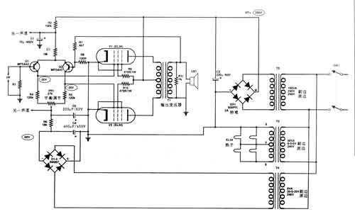
45W晶体管电子管混合式功率放大器_电路图-华强电子网
500x309 - 13KB - JPEG

【图】简单的晶体管OCL功放电路制作音频电路 电路图 维库电子市场网
850x516 - 170KB - JPEG

场效应晶体管放大器- 放大器- 电子工程世界网
268x211 - 13KB - JPEG

2SK134\/J49功放电路_电路图-华强电子网
556x342 - 31KB - JPEG

先锋功放电路晶体管驱动电路-+功放技术-+电子发烧友网
1240x775 - 90KB - JPEG

制作晶体管靓声甲类功放-功放电路图-电子产品世界
680x485 - 147KB - JPEG

制作50W晶体管功放电路的方法
613x350 - 66.2KB - JPEG

【图】40W晶体管Hi-Fi功率放大器制作音频电路 电路图 维库电子市场网
750x750 - 285KB - JPEG

简易晶体管OCL功放电路图- 电子发烧友网
596x316 - 22KB - JPEG