
数字万用表电路图_胜利数字万用表电路图_830l数字万用表电路图
2069x1300 - 1565KB - JPEG

《模拟电路与数字电路》林捷,杨绪业,人民邮电出版社,2007-书籍\/报纸\/杂志-考试-考研-考研专业书 | 网购-拍拍网
600x859 - 106.0KB - JPEG

现代科技数字电路设计图矢量素材eps
1000x1030 - 266KB - JPEG
使用ICL7107数字电压表电路_电路图_电子产品世界
829x599 - 191KB - JPEG

DPPC2006Q六声道数字功放前级信号处理电路图_电路图_电子产品世界
1665x1181 - 881KB - JPEG

【图】数字控制相位角电路 控制电路 电路图 维库电子市场网
964x446 - 61KB - JPEG

【图】一种嵌入式PC非标准键盘电路数字电路 电路图 维库电子市场网
570x359 - 31KB - JPEG

数字时钟设计电路图汇总(七款数字时钟电路图) - 全文 - 数字时钟电路图 -
679x542 - 45KB - JPEG

数字电路实验板的制作
547x410 - 70KB - JPEG

数字电路第四章-学路网-学习路上 有我相伴
426x307 - 68KB - PNG

数字电路基本知识
527x400 - 42KB - JPEG

数字电路
1024x768 - 675KB - JPEG

【图】随机数发生电路图数字电路 电路图 维库电子市场网
650x650 - 247KB - JPEG

数字电路设计需要注意12个细节 - 电子常识 - 电子发烧友网
600x308 - 58KB - JPEG

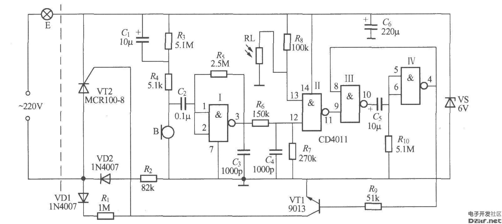
数字电路声光控楼梯延迟开关电路_电子设计应用_电子设计产品方案--华强电子网
1605x717 - 91KB - JPEG