
静态工作点稳定性与射极输出器动态性能的关系
850x487 - 33KB - JPEG

在下图所示的射极输出器电路中,UCC=12V,β
438x440 - 9KB - PNG

静态工作点稳定性与射极输出器动态性能的关系
535x449 - 21KB - JPEG

射极输出器特性测量
484x197 - 11KB - JPEG

射极输出器的应用,解决方案
464x331 - 17KB - JPEG

两个射极跟随器输出端之间连接一个小电阻,电
438x235 - 17KB - PNG

【图】射极跟随器电路开关电路 电路图 维库电
704x444 - 46KB - PNG

射极输出器放大电路如图所示,已知:Vcc=15V,三
450x800 - 41KB - JPEG

请问运放tl072cd接成射极跟随器最大能输出多
502x260 - 65KB - PNG

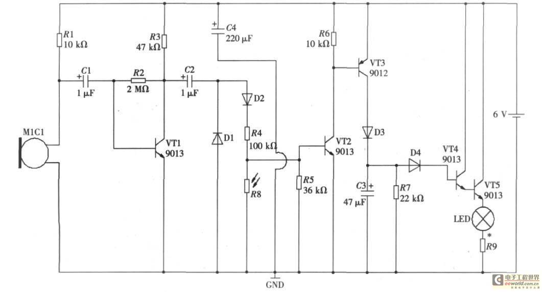
基于射极输出器关断的声光控LED照明灯 - LE
1061x571 - 53KB - JPEG

基于IC+射极交叉输出的前级电路图
404x358 - 70KB - JPEG

射极跟随器小功放的问题 - 〓晶体管与集成〓
462x218 - 40KB - PNG

基于射极输出器关断的声光控led照明灯 - 21ic中
1061x571 - 51KB - JPEG

射极输出器概要.ppt
960x720 - 34KB - JPEG

射极跟随器输出电路的静态功耗
470x432 - 40KB - JPEG