
二进制负数补码怎么算?末位+1什么意思啊…
600x450 - 38KB - JPEG

FX2N功能指令中求补码指令实例,为什么违背了
931x690 - 218KB - JPEG

负数的补码怎么变回原码? - 计算机科学 - 知乎
2430x1877 - 195KB - JPEG

【python二进制 负数补码】 - CSDN
1219x714 - 250KB - PNG

负数的补码表示
109x154 - 6KB - JPEG

为什么负数要以补码的形式存储?
421x302 - 24KB - JPEG

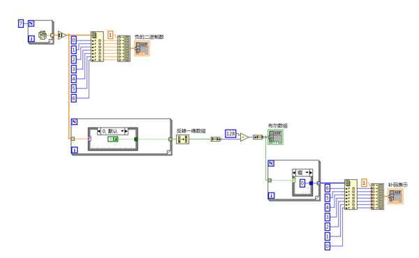
二进制负数如何求补码用labview
600x370 - 37KB - PNG

负数的补码_正数有反码吗_正数原码反码补码
750x490 - 82KB - JPEG

负数的补码表示
109x154 - 10KB - JPEG

负数的补码_正数有反码吗_正数原码反码补码
600x377 - 131KB - PNG

负数补码
109x154 - 6KB - JPEG

关于负数取补码的问题,
600x241 - 41KB - PNG

负数补码
109x154 - 7KB - JPEG

定点整数中补码表示的绝对值最大的负数应该是
561x394 - 19KB - JPEG

负数的算数左移是以补码的形式进行算数左移,
496x238 - 29KB - JPEG