
场效应管质量的简易判断 - 电子发烧友网
587x234 - 14KB - JPEG

请教管子型号2 - 维库电子市场网
400x300 - 51KB - PNG

MOS场效应管的工作原理_场效应管测量方法_场效应管与三极管的区别 - 电子发烧友网
407x225 - 10KB - JPEG

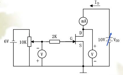
图解使用数字万用表测量场效应管MOS管
497x584 - 110KB - JPEG

数字万用表的使用测直流电时,黑笔为正呢?还是红笔为正呢??-数显式万用表的电阻档测量时黑表笔和红表笔输出是直流电是
497x584 - 44KB - JPEG

买H55必备:简单三招教你辨别供电好坏_家电数码新闻滚动_大成网_腾讯网
500x375 - 61KB - JPEG

结场效应管该如何测量? - 电子发烧友网
490x172 - 65KB - PNG

场效应管测量方法 - 电子发烧友网
538x430 - 76KB - PNG
![[场效应管测量]场效应管的测量方法图解](http://img.lookmw.cn/yuedu/170602/322796_1.jpg)
[场效应管测量]场效应管的测量方法图解
403x400 - 23KB - JPEG

图解使用数字万用表测量场效应管MOS管
500x409 - 55KB - JPEG

场效应管的特性,解决方案--华强电子网
432x266 - 10.9KB - JPEG

图解使用数字万用表测量场效应管MOS管,解决方案--华强电子网
500x380 - 23KB - JPEG

图解使用数字万用表测量场效应管MOS管
326x231 - 44KB - JPEG

场效应管工作原理|MOS管场效应管工作原理|大
548x518 - 56KB - JPEG

效应管如何测量好坏?场效应管测量方法图解 -
415x412 - 20KB - JPEG