
220v交流接触器接380v热过载续电器详图
500x374 - 35KB - JPEG

特价大量现货SAM6060D固态续电器直销图片,特价大量现货SAM6060D固态续电器直销图片大全,西安骊创电子科技有限公司-马可波罗网
600x277 - 27KB - JPEG

请问图中的是续电器吗,那它哪里是电源输入端?控制电路还是工作电路?_360问答
600x665 - 85KB - PNG

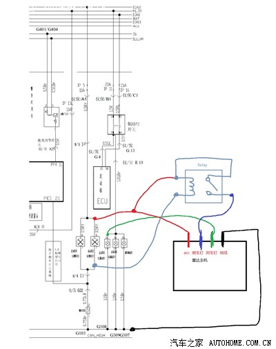
【图】A3装倒车雷达请加(续电器+搭铁线)_奇瑞A3论坛_汽车之家论坛
400x506 - 32KB - JPEG

续电器_图片搜索 http:\/\/www.qqzhi.com
293x220 - 14KB - JPEG

断电延时续电器怎么接
500x345 - 24KB - JPEG

厂家价格DY-35电压续电器_德工电器企业有限公司
640x480 - 34KB - JPEG

【全新原装日本 欧姆龙OMRON 续电器 G2A-434A】价格_厂家_图片 -Hc360慧聪网
359x350 - 21KB - JPEG

【R4100大功率 设备续电器、品质保证、品质齐全、欢迎来电订购!】价格,厂家,图片,继电器,宁波瑞欧电子有限公司-马可波罗网
750x750 - 139KB - JPEG

PNOZX124VDC PILZ皮尔兹续电器原装正品
450x443 - 20KB - JPEG

原装正品AB 时间续电器 700-HRS42TA17 C图
1440x1920 - 184KB - JPEG

续电器价格_续电器_北京海淀区续电器生产供
500x439 - 22KB - JPEG

奔驰唯雅诺续电器
400x300 - 15KB - JPEG

【插拔式续电器 施耐德】
718x960 - 212KB - JPEG

燃气、CO复合气体探测器续电器无源续出-产品
732x549 - 565KB - PNG