
FFT变换及小波变换的毕业论文.doc
993x1404 - 200KB - PNG

经验证的FFT变换傅里叶变换程序(C语言)
702x477 - 37KB - PNG

高速64点FFT芯片设计技术
340x220 - 91KB - JPEG

用基于加窗FFT变换的频谱的分析.doc
993x1404 - 54KB - PNG
FFT变换为什么要加窗-FFT为什么要加窗函数
590x296 - 65KB - PNG

FFT变换及其应用.doc
794x1123 - 15KB - PNG

FFT变换PPT_word文档在线阅读与下载_无忧文
1080x810 - 84KB - JPEG

【论文】基于DSP用FFT变换进行分析.doc 全
993x1404 - 55KB - PNG

基于FFT变换的空间重采样宽带Root-Music算法
800x1087 - 372KB - PNG

图像的定点FFT变换的精度分析_仪器仪表_中国
528x365 - 36KB - JPEG

FFT变换PPT_word文档在线阅读与下载_无忧文
1080x810 - 56KB - JPEG

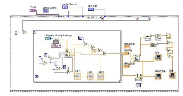
LABVIEW FFT变换
600x315 - 27KB - JPEG

Matlab中快速傅里叶变换FFT结果物理意义(00
993x1404 - 95KB - PNG
第三章第三节FFT变换mm
1080x810 - 98KB - JPEG

fft变换
500x349 - 18KB - JPEG