
感应加热ZVS制作图解-电子发烧友网
796x698 - 51KB - JPEG

如何自制最简单zvs升压电路图?其操作步骤解析 - 电子开关电路图 - 电子发烧友网
910x527 - 43KB - JPEG

DIY:牛人教你自制小型逆变器【图文+视频】 - OFweek电子工程网
616x374 - 37KB - JPEG

如何自制最简单zvs升压电路图?其操作步骤解析 - 电子开关电路图 - 电子发烧友网
784x390 - 38KB - JPEG

555ye
877x355 - 68KB - JPEG

zvs是什么技术-+电子常识-+电子发烧友网
691x510 - 64KB - JPEG

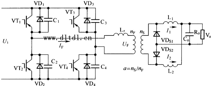
ZVS移相全桥DC\/DC变换器控制结构图 - 电子发烧友网
464x284 - 34KB - JPEG

zvs电路难起振原因我的电路图是
500x272 - 20KB - JPEG

基于DSP实现的开关逆变电源解析-电子电路图,电子技术资料网站
454x208 - 23KB - PNG

半桥LLC谐振转换器的设计考虑及安森美半导体解决方案(图) - 今日电子
678x523 - 35KB - JPEG

特斯拉线圈ZVS驱动电路原理-综合电路图-电子产品世界
400x333 - 10KB - JPEG

改进型移相全桥zvs主电路
680x279 - 70KB - JPEG

问这张音乐zvs电路图的一些问题,比如说6t线圈内可以感应加热吗?电感
580x580 - 50KB - JPEG

自制zvs感应加热教程 - 电子常识 - 电子发烧友网
481x268 - 31KB - JPEG

光伏并网系统逆变器电路的锁相及保护电路的设计-电子电路图,电子技术资料网站
772x562 - 136KB - PNG