
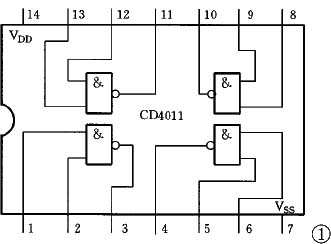
cd4011引脚功能资料 - 电子发烧友网
222x164 - 8KB - JPEG

cd4011中文资料及真值表 - 电子技术 - 电工之家
425x294 - 16KB - JPEG

CD4011
312x318 - 15KB - JPEG

CD4011图片,CD4011图片大全,1097条-马可波罗网
467x328 - 13KB - JPEG

门电路及其应用-与非门-CD4011_电路图-华强电子网
331x244 - 26KB - JPEG

CD4011工作原理及引脚图,功能,参数,作用详解 - 电气技术 - 电子发烧友网
368x259 - 35KB - PNG

【CD4069UBNSR CD4011BNSR CD4071BNSR TI品牌全新原装现货特价】价格,厂家,图片,集成电路\/IC,深圳市恒创伟电子有限公司-马可波罗网
1024x768 - 142KB - JPEG

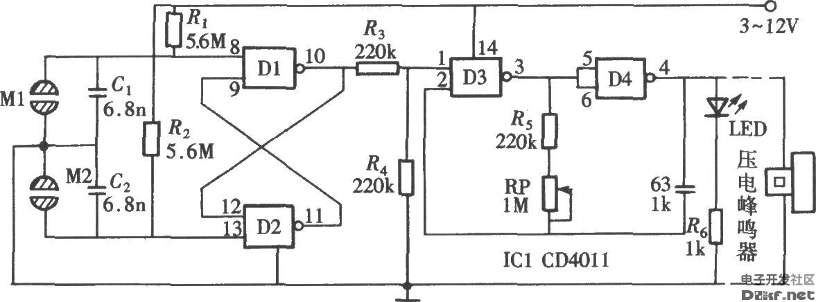
超温监测自动控制电路图(CD4011) - 21IC中国电子网
1218x544 - 45KB - JPEG

CD4011BE\/HEF4011\/HCF4011 DIP14 四2输入端与非门
500x400 - 21KB - JPEG

由CD4011构成的触摸式闪光蜂鸣器_电路图-华强电子网
1177x436 - 67KB - JPEG

三位数字电容表(NE556、CD4011、CD4543、CD4553)_电路图-华强电子网
1717x917 - 182KB - JPEG

CD4011工作原理及引脚图,功能,参数,作用详解 - 电气技术 - 电子发烧友网
476x204 - 64KB - PNG

触摸式开关控制电路实验-CD4011
618x275 - 30KB - JPEG

感应式无线耳机 - 21IC中国电子网
1157x524 - 39KB - JPEG

CD4011BE进口原装TI数字电路芯片_电子类栏目_jdzj.com
376x248 - 19KB - JPEG