STK射箭主题俱乐部-STK射箭主题俱乐部图片
431x591 - 62KB - JPEG

钨钢铣刀_钨钢铣刀供货商_供应日本STK钨钢
1280x960 - 103KB - JPEG

STK404-120N-E便宜价格 质量好吗
827x1169 - 41KB - PNG

xcellent steak in a fun place_拉斯维加斯STK点
550x412 - 24KB - JPEG
华博医院-stk超细纤维微创诊疗系统-图片-北京
363x272 - 24KB - JPEG

钢铣刀_白钢铣刀供货商_供应日本SKL\/STK白
500x375 - 26KB - JPEG

供应批发原装STK钴高速钢铣刀,精铣刀,加硬白
4000x3000 - 731KB - JPEG

基于STK的LEO通信系统星座仿真分析技术_w
760x509 - 260KB - PNG

东莞市顺佳五金机械有限公司-供应 STK钴高速
592x624 - 51KB - JPEG

供应stk高速钢钨钢铣刀`
750x563 - 40KB - JPEG

STK单向滚针轴承箱单向深沟球轴承
700x895 - 78KB - JPEG

【日本STK铣刀 高钴铣刀 M42-CO8 3.0-6.0MM
638x345 - 44KB - JPEG

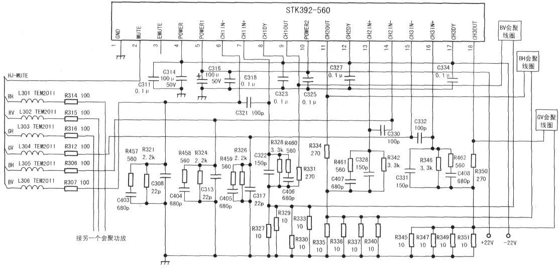
stk401-140性价比 stk392-560质量好推荐
599x789 - 122KB - JPEG
![《X重生》DAT数据游览工具[stk25]](http://img1.gamersky.com/image2013/11/20131120l_04/gamersky_01small_02_2013112017462DE.jpg)
《X重生》DAT数据游览工具[stk25]
500x484 - 53KB - JPEG

STK392-560_电子资料新品播报_电子资料文档
1113x535 - 91KB - JPEG
简介:STK是由美国Analytical Graphics公司开发的一款在航天领域处于领先地位的商业分析软件。STK支持航天任务
最佳答案: 5,STK卡同原来的SIM卡一样,可以在普通GSM手机上使用。不同的是,STK卡是新一代的智能卡,具有很高的存储量。用户在GSM网点换上STK卡后,每月只需交纳一笔固定费用(
在绝地求生伦敦FGS上拿下亚军的北美战队STK宣布被同样来自北美的Lazarus俱乐部收购,接下来的NPL联赛,STK全员将代表Lazarus战队出战,而
简介:STK是英文SIM Tool Kit的缩写,简称"用户识别应用发展工具",是在GSM手机使用的大容量SIM卡中开发的应
Copyright (C) 2010 STK Technology Co.,Ltd. All rights reserved. STK エスティケイテクノロジー株式会社 JAPANESE HOME Information エスティケイテクノロジー株式会社
本吧热帖: 1-STK11版本的使用 2-STK11破解版本 3-【新人求助】关于STK与MATLAB互联的问题 4-【STK占楼一用】stk卫星工具包吧已经建立,欢迎到访交流 5-STK9.2安装及
请问STK是什么意思啊? STK:STK(SIM TOOL KIT),简称“用户识别应用发展工具”,可以理解为一组开发增值业务的命令,一种小型编程语言,它允许基于智能卡的用户身份识别
角色stk某人什么意思你好,skt这里是跟踪狂啊…日文罗马音缩写啦。su to kah啊,原意是跟踪狂,意译是痴汉的意思,动漫里面用的比较多吧。角色跟踪某人。望采纳